Bosch Rasenmäher ROTAK 37 LI Ersatzteile
ROTAK 37 LI Rasenmäher
Artikel Nummer: 3 600 H81 J72 (3600H81J72)

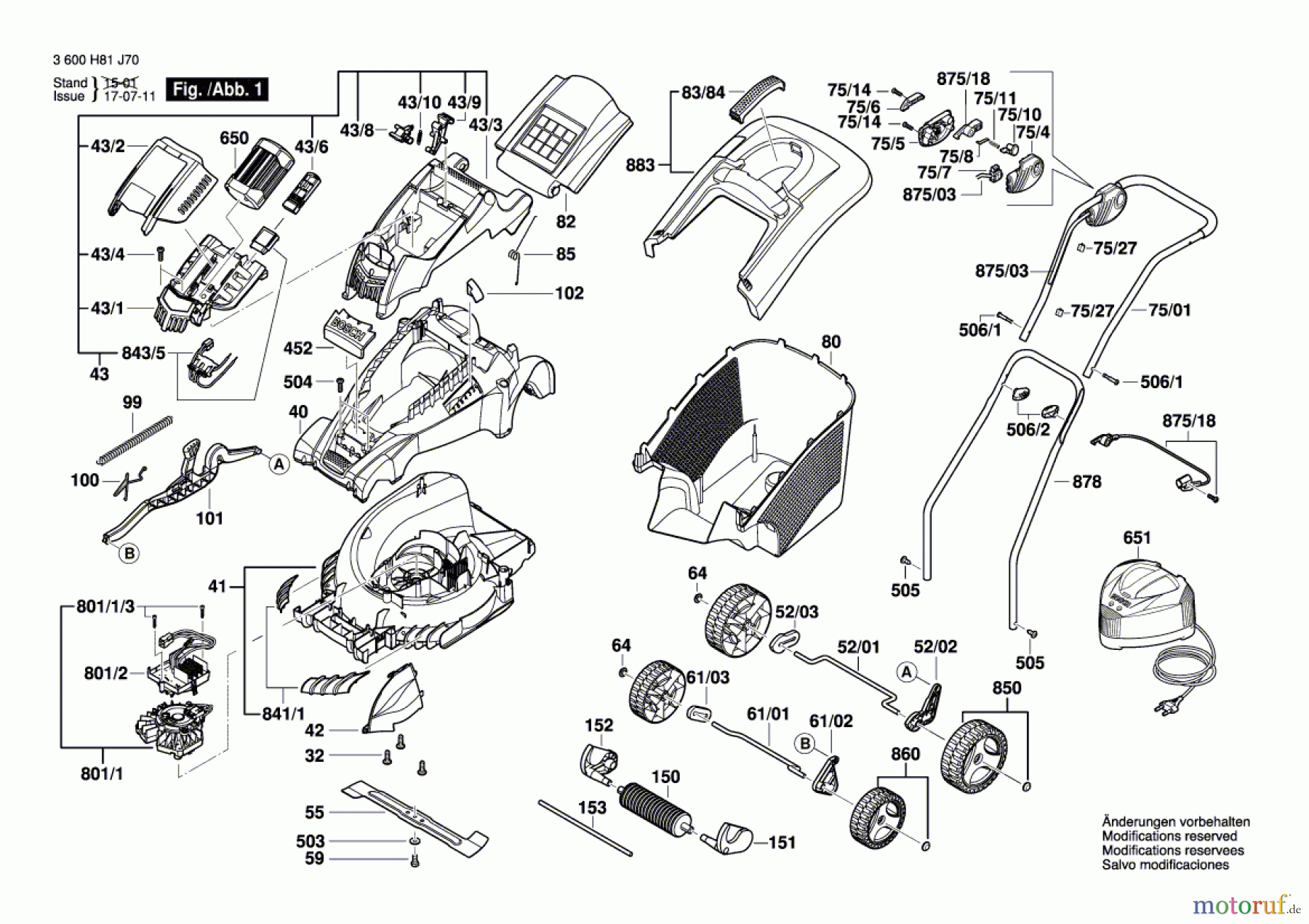
Hier finden Sie die Ersatzteilzeichnung für Bosch Gartengeräte Rasenmäher ROTAK 37 LI Seite 1. Wählen Sie das benötigte Ersatzteil aus der Ersatzteilliste Ihres Bosch Gerätes aus und bestellen Sie einfach online. Viele Bosch Ersatzteile halten wir ständig in unserem Lager für Sie bereit.


Qualitätsmanagement
Informieren Sie uns, wenn Sie einen Fehler gefunden haben.