Bosch Hochdruckreiniger AQUATAK CLIC 125 Ersatzteile
AQUATAK CLIC 125 Hochdruckreiniger
Artikel Nummer: 3 600 H79 001 (3600H79001)

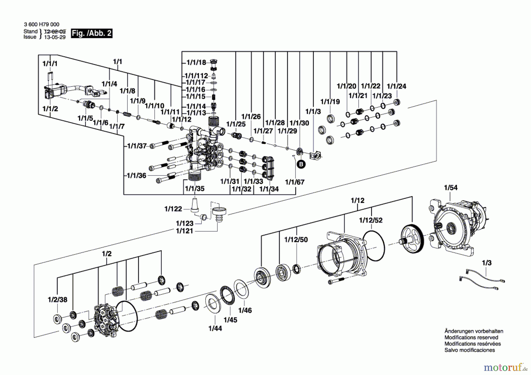
Hier finden Sie die Ersatzteilzeichnung für Bosch Wassertechnik Hochdruckreiniger AQUATAK CLIC 125 Seite 2. Wählen Sie das benötigte Ersatzteil aus der Ersatzteilliste Ihres Bosch Gerätes aus und bestellen Sie einfach online. Viele Bosch Ersatzteile halten wir ständig in unserem Lager für Sie bereit.


Qualitätsmanagement
Informieren Sie uns, wenn Sie einen Fehler gefunden haben.

