Bosch Heckenschere AHS 48-26 Ersatzteile
AHS 48-26 Heckenschere
Artikel Nummer: 3 600 H47 E03 (3600H47E03)

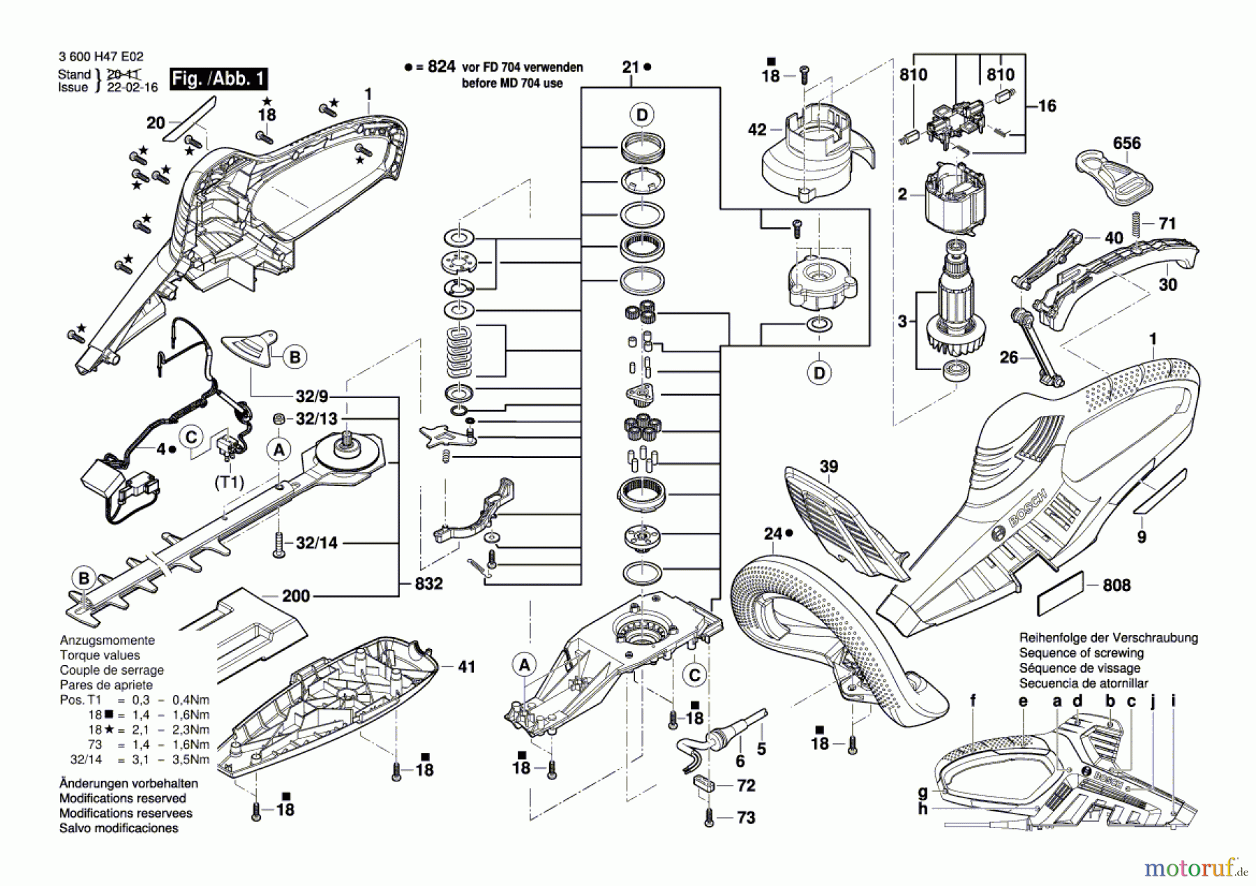
Hier finden Sie die Ersatzteilzeichnung für Bosch Gartengeräte Heckenschere AHS 48-26 Seite 1. Wählen Sie das benötigte Ersatzteil aus der Ersatzteilliste Ihres Bosch Gerätes aus und bestellen Sie einfach online. Viele Bosch Ersatzteile halten wir ständig in unserem Lager für Sie bereit.


Qualitätsmanagement
Informieren Sie uns, wenn Sie einen Fehler gefunden haben.

