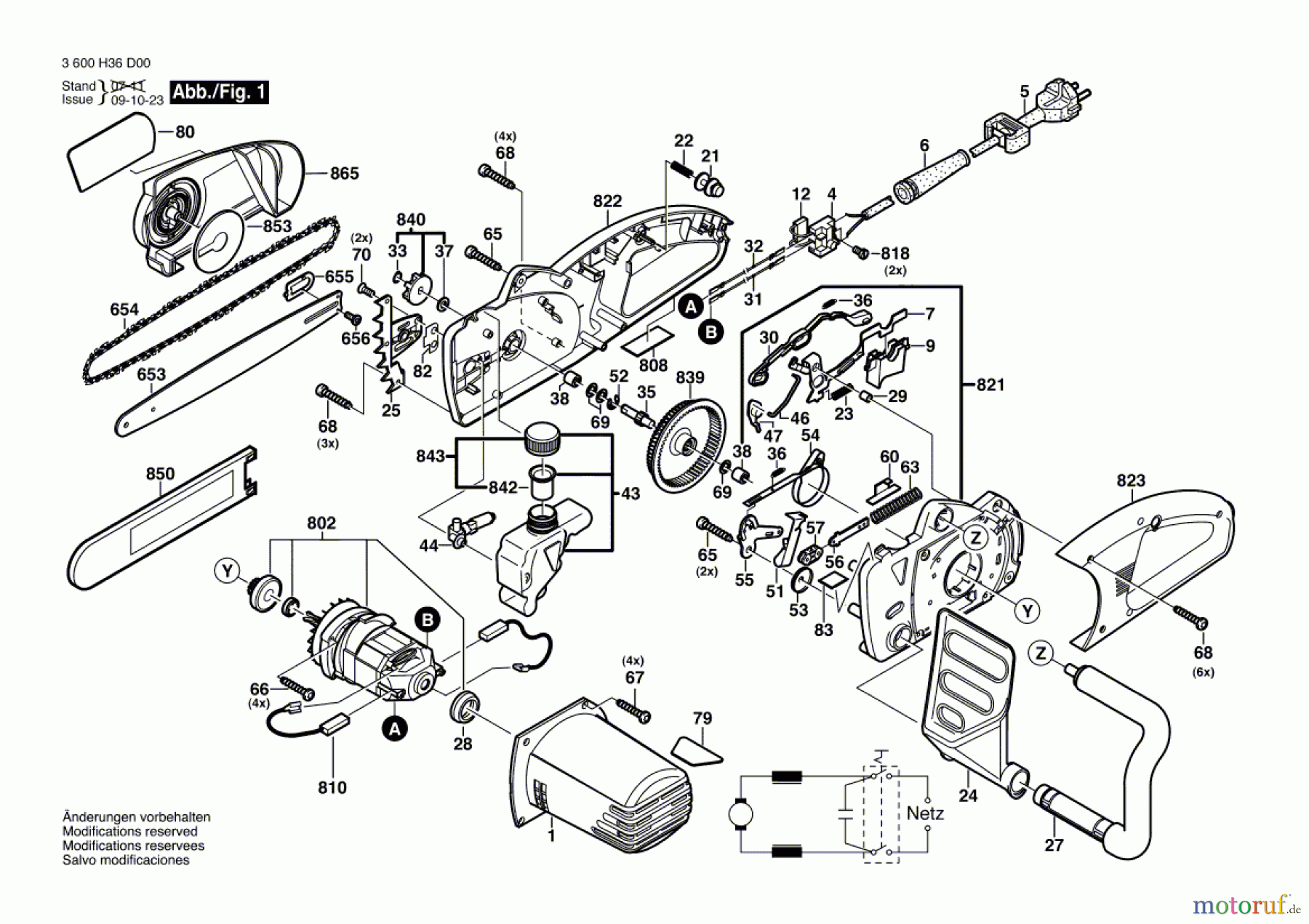
Bosch Kettensäge AKE 35-19 S Ersatzteile
AKE 35-19 S Kettensäge
Artikel Nummer: 3 600 H36 E00 (3600H36E00)

Hier finden Sie die Ersatzteilzeichnung für Bosch Gartengeräte Kettensäge AKE 35-19 S Seite 1. Wählen Sie das benötigte Ersatzteil aus der Ersatzteilliste Ihres Bosch Gerätes aus und bestellen Sie einfach online. Viele Bosch Ersatzteile halten wir ständig in unserem Lager für Sie bereit.


Qualitätsmanagement
Informieren Sie uns, wenn Sie einen Fehler gefunden haben.