Bosch Kettensäge AKE 40 Ersatzteile
AKE 40 Kettensäge
Artikel Nummer: 3 600 H34 003 (3600H34003)

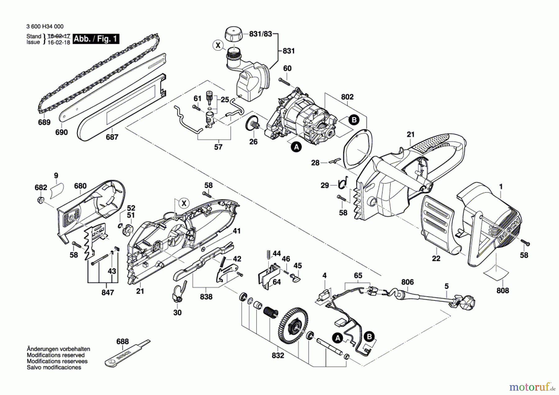
Hier finden Sie die Ersatzteilzeichnung für Bosch Gartengeräte Kettensäge AKE 40 Seite 1. Wählen Sie das benötigte Ersatzteil aus der Ersatzteilliste Ihres Bosch Gerätes aus und bestellen Sie einfach online. Viele Bosch Ersatzteile halten wir ständig in unserem Lager für Sie bereit.


Qualitätsmanagement
Informieren Sie uns, wenn Sie einen Fehler gefunden haben.

