Bosch Motorregeleinheit 1820 Ersatzteile
1820 Motorregeleinheit
Artikel Nummer: 2 610 917 493 (2610917493)

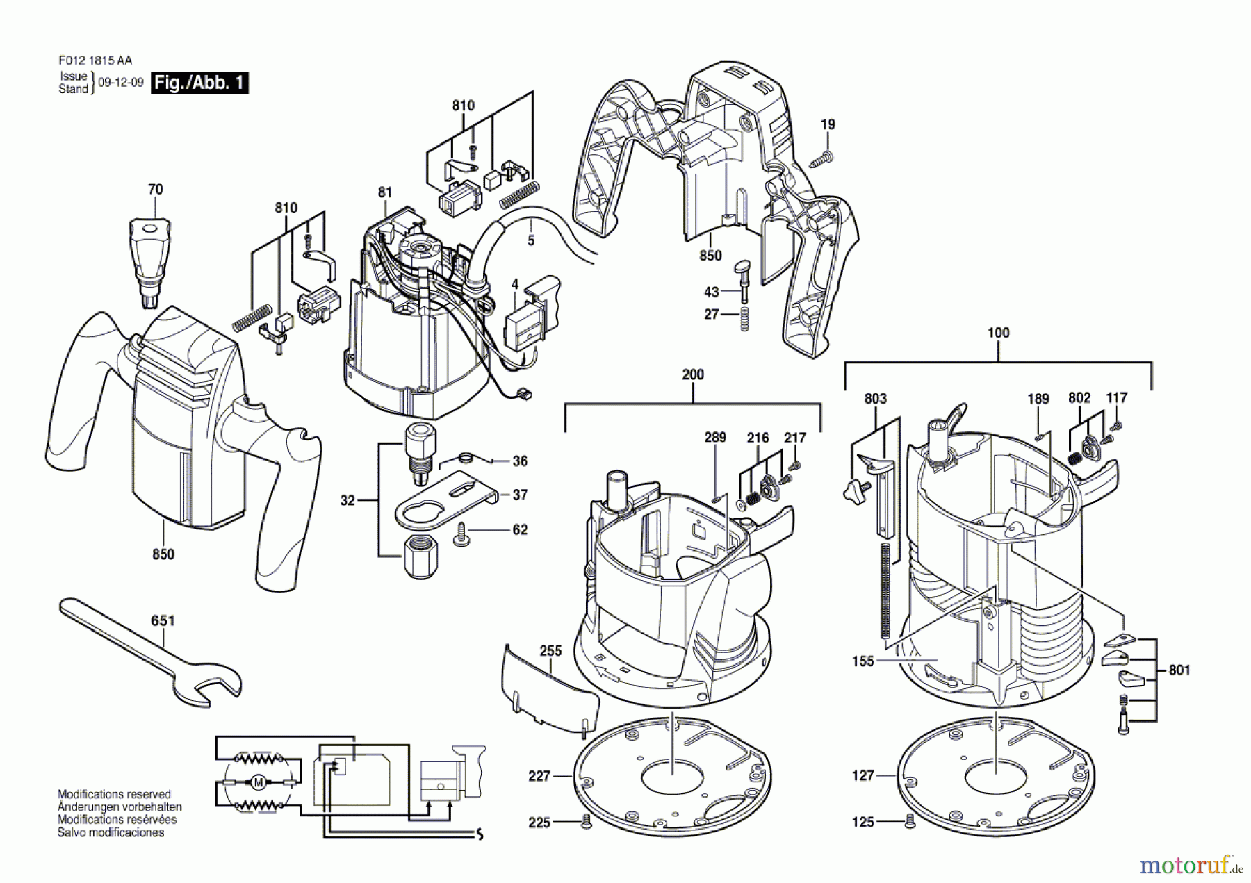
Hier finden Sie die Ersatzteilzeichnung für Bosch Werkzeug Motorregeleinheit 1820 Seite 1. Wählen Sie das benötigte Ersatzteil aus der Ersatzteilliste Ihres Bosch Gerätes aus und bestellen Sie einfach online. Viele Bosch Ersatzteile halten wir ständig in unserem Lager für Sie bereit.


Qualitätsmanagement
Informieren Sie uns, wenn Sie einen Fehler gefunden haben.

