Bosch Motorregeleinheit 1825 Ersatzteile
1825 Motorregeleinheit
Artikel Nummer: 2 610 915 610 (2610915610)

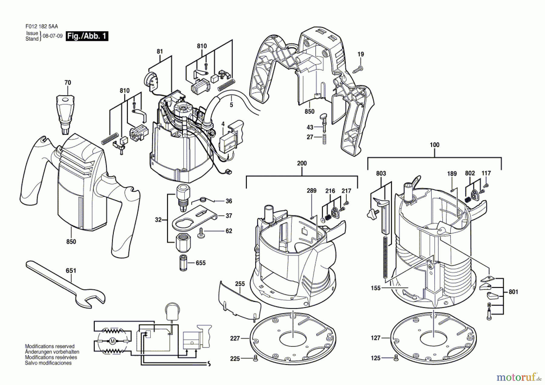
Hier finden Sie die Ersatzteilzeichnung für Bosch Werkzeug Motorregeleinheit 1825 Seite 1. Wählen Sie das benötigte Ersatzteil aus der Ersatzteilliste Ihres Bosch Gerätes aus und bestellen Sie einfach online. Viele Bosch Ersatzteile halten wir ständig in unserem Lager für Sie bereit.



