Bosch Motorregeleinheit 1810 Ersatzteile
1810 Motorregeleinheit
Artikel Nummer: 2 610 915 609 (2610915609)

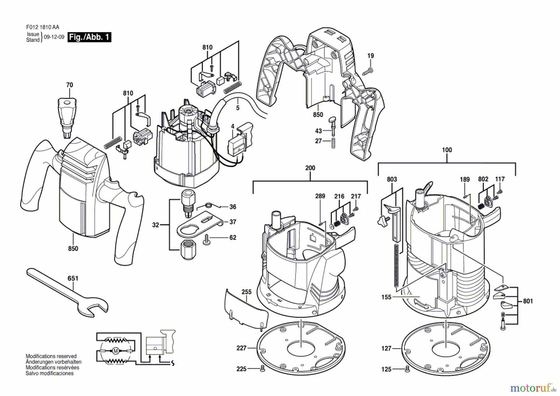
Hier finden Sie die Ersatzteilzeichnung für Bosch Werkzeug Motorregeleinheit 1810 Seite 1. Wählen Sie das benötigte Ersatzteil aus der Ersatzteilliste Ihres Bosch Gerätes aus und bestellen Sie einfach online. Viele Bosch Ersatzteile halten wir ständig in unserem Lager für Sie bereit.



