Bosch Absaugvorrichtung ---- Ersatzteile
---- Absaugvorrichtung
Artikel Nummer: 1 618 190 009 (1618190009)

Hier finden Sie die Ersatzteilzeichnung für Bosch Werkzeug Absaugvorrichtung ---- Seite 1. Wählen Sie das benötigte Ersatzteil aus der Ersatzteilliste Ihres Bosch Gerätes aus und bestellen Sie einfach online. Viele Bosch Ersatzteile halten wir ständig in unserem Lager für Sie bereit.
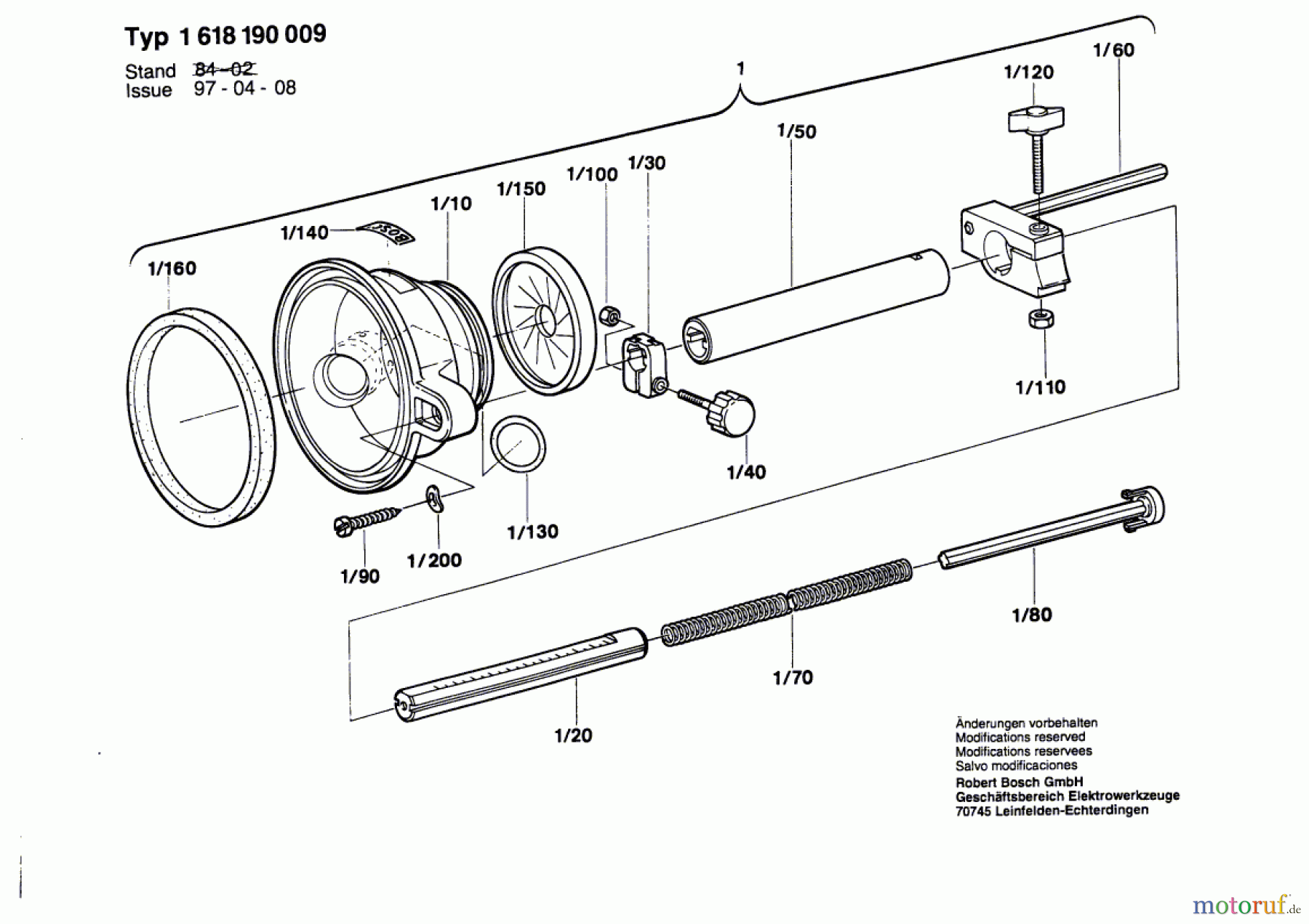
| BildNr | Artikel Nummer | Bezeichnung | |
| 1/130 | 1 610 210 045 | O-Ring | |
| 1/150 | 1 610 502 004 | Gummiring | |
| 1/50 | 1 610 715 001 | Führungsrohr | |
| 1/30 | 1 611 315 008 | Klemmstück | |
| 1/160 | 1 612 319 002 | Dichtstreifen | |
| 1/20 | 1 613 002 001 | Teleskoprohr | |
| 1/100 | 1 613 300 006 | Sechskantmutter | |
| 1/120 | 1 613 480 009 | Flügelschraube | |
| 1/40 | 1 613 481 003 | Klemmschraube | |
| 1/70 | 1 614 611 003 | Druckfeder | |
| 1/80 | 1 615 500 264 | Verschlussdeckel | |
| 1/10 | 1 615 719 019 | Saugkopf | |
| 1/60 | 1 618 040 045 | Klemmhalter | |
| 1 | 1 618 190 009 | Absaugvorrichtung | |
| 1/140 | 2 601 110 601 | Firmenschild | |
| 1/90 | 2 910 211 234 | Blechschraube | |
| 1/110 | 2 915 060 004 | Sechskantmutter | |
| 1/200 | 2 916 060 011 | Federscheibe | |


Qualitätsmanagement
Informieren Sie uns, wenn Sie einen Fehler gefunden haben.

