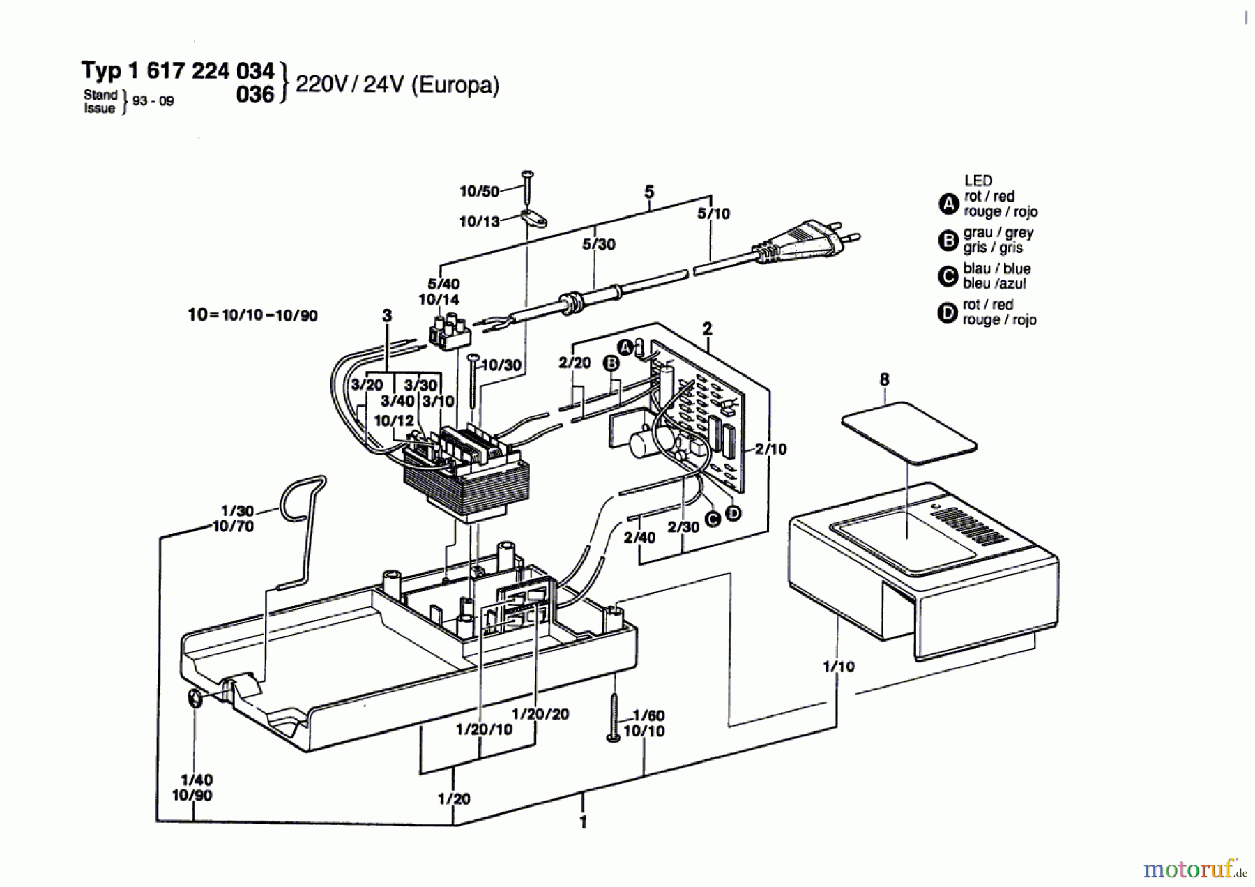
Bosch Batterie-Ladegerät ---- Ersatzteile
---- Batterie-Ladegerät
Artikel Nummer: 1 617 224 034 (1617224034)

Hier finden Sie die Ersatzteilzeichnung für Bosch Werkzeug Batterie-Ladegerät ---- Seite 1. Wählen Sie das benötigte Ersatzteil aus der Ersatzteilliste Ihres Bosch Gerätes aus und bestellen Sie einfach online. Viele Bosch Ersatzteile halten wir ständig in unserem Lager für Sie bereit.