Bosch Batterie-Ladegerät ---- Ersatzteile
---- Batterie-Ladegerät
Artikel Nummer: 1 617 224 009 (1617224009)

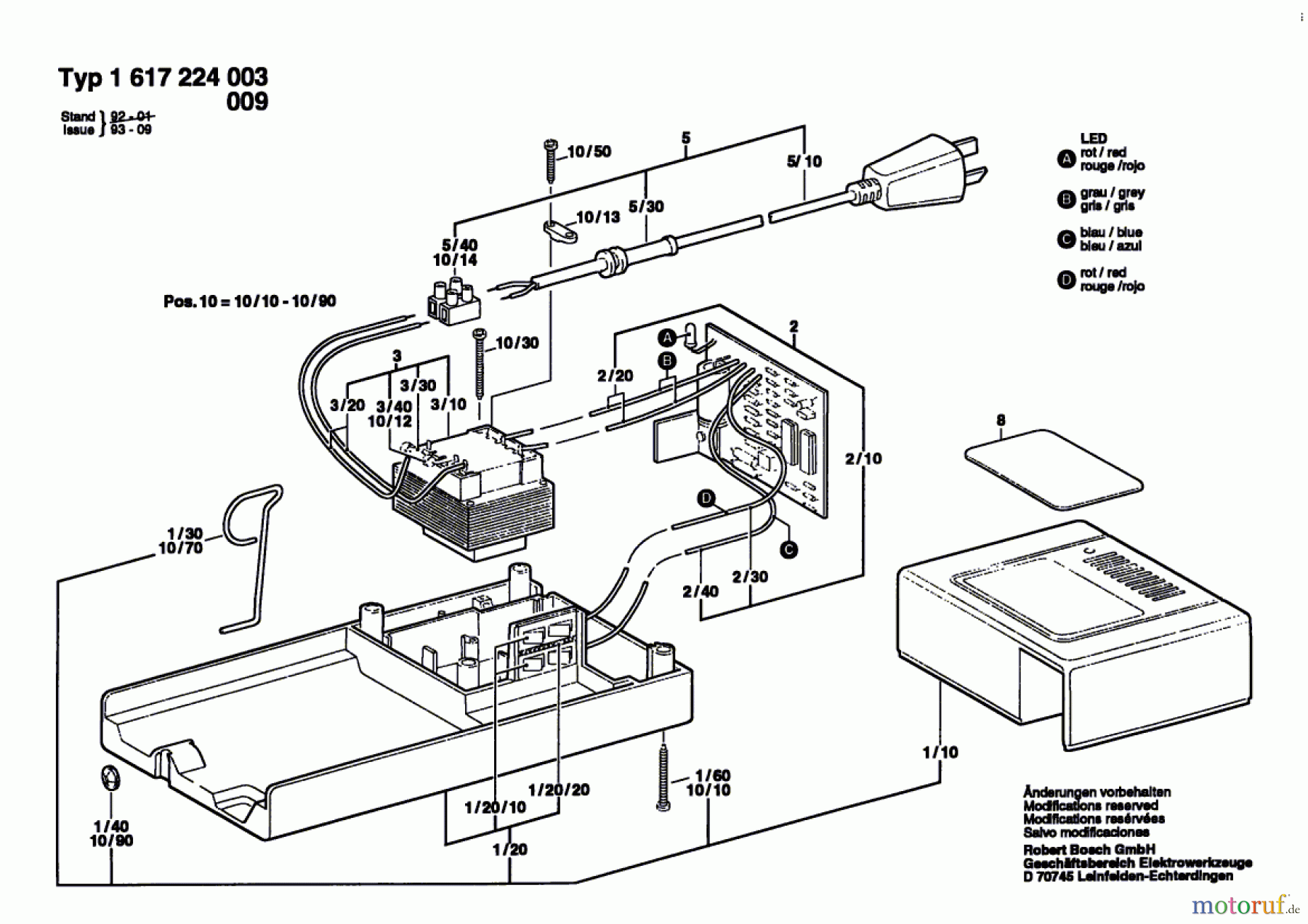
Hier finden Sie die Ersatzteilzeichnung für Bosch Werkzeug Batterie-Ladegerät ---- Seite 1. Wählen Sie das benötigte Ersatzteil aus der Ersatzteilliste Ihres Bosch Gerätes aus und bestellen Sie einfach online. Viele Bosch Ersatzteile halten wir ständig in unserem Lager für Sie bereit.
| BildNr | Artikel Nummer | Bezeichnung | |
| 1/20 | 1 615 190 014 | Gehäuseunterteil | |
| 1/10 | 1 615 500 273 | Gehäusedeckel | |
| 2 | 1 618 300 000 | Leiterplatte Bestückt | |
| 3/30 | 1 617 000 165 | Sicherungssatz | |
| 3 | 1 617 224 017 | Netztransformator | |
| 5 | 1 614 460 037 | Elktr Leitg M Anschluss | |
| 8 | 1 611 110 259 | Typschild | |
| 10/70 | 1 614 680 004 | Haltefeder | |
| 10 | 1 617 000 116 | Teilesatz | |


Qualitätsmanagement
Informieren Sie uns, wenn Sie einen Fehler gefunden haben.

