Bosch Sander 332 Ersatzteile
332 Sander
Artikel Nummer: 0 611 207 576 (0611207576)

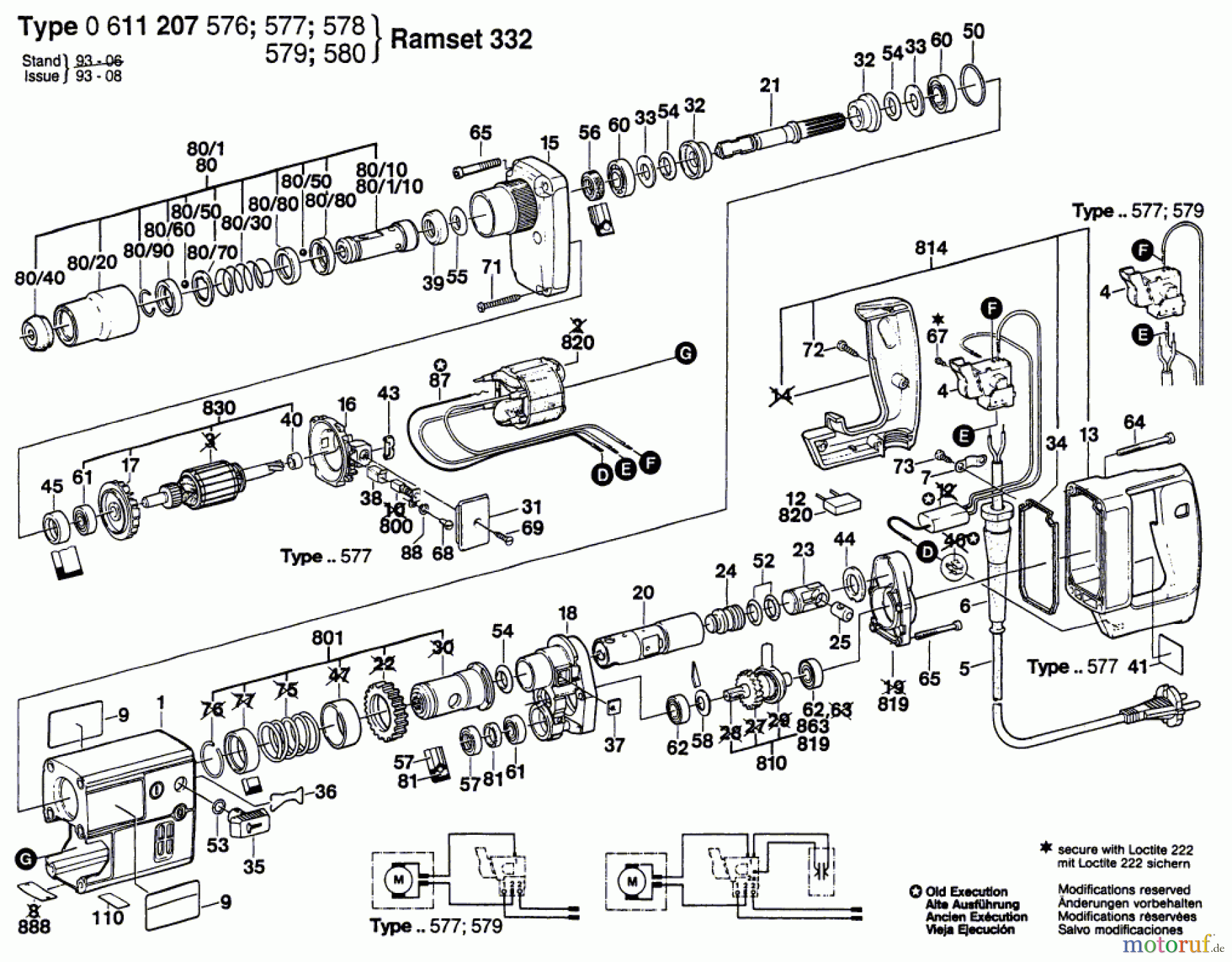
Hier finden Sie die Ersatzteilzeichnung für Bosch Werkzeug Sander 332 Seite 1. Wählen Sie das benötigte Ersatzteil aus der Ersatzteilliste Ihres Bosch Gerätes aus und bestellen Sie einfach online. Viele Bosch Ersatzteile halten wir ständig in unserem Lager für Sie bereit.


Qualitätsmanagement
Informieren Sie uns, wenn Sie einen Fehler gefunden haben.

