Bosch Vorsatzgetriebe ---- Ersatzteile
---- Vorsatzgetriebe
Artikel Nummer: 0 607 958 904 (0607958904)

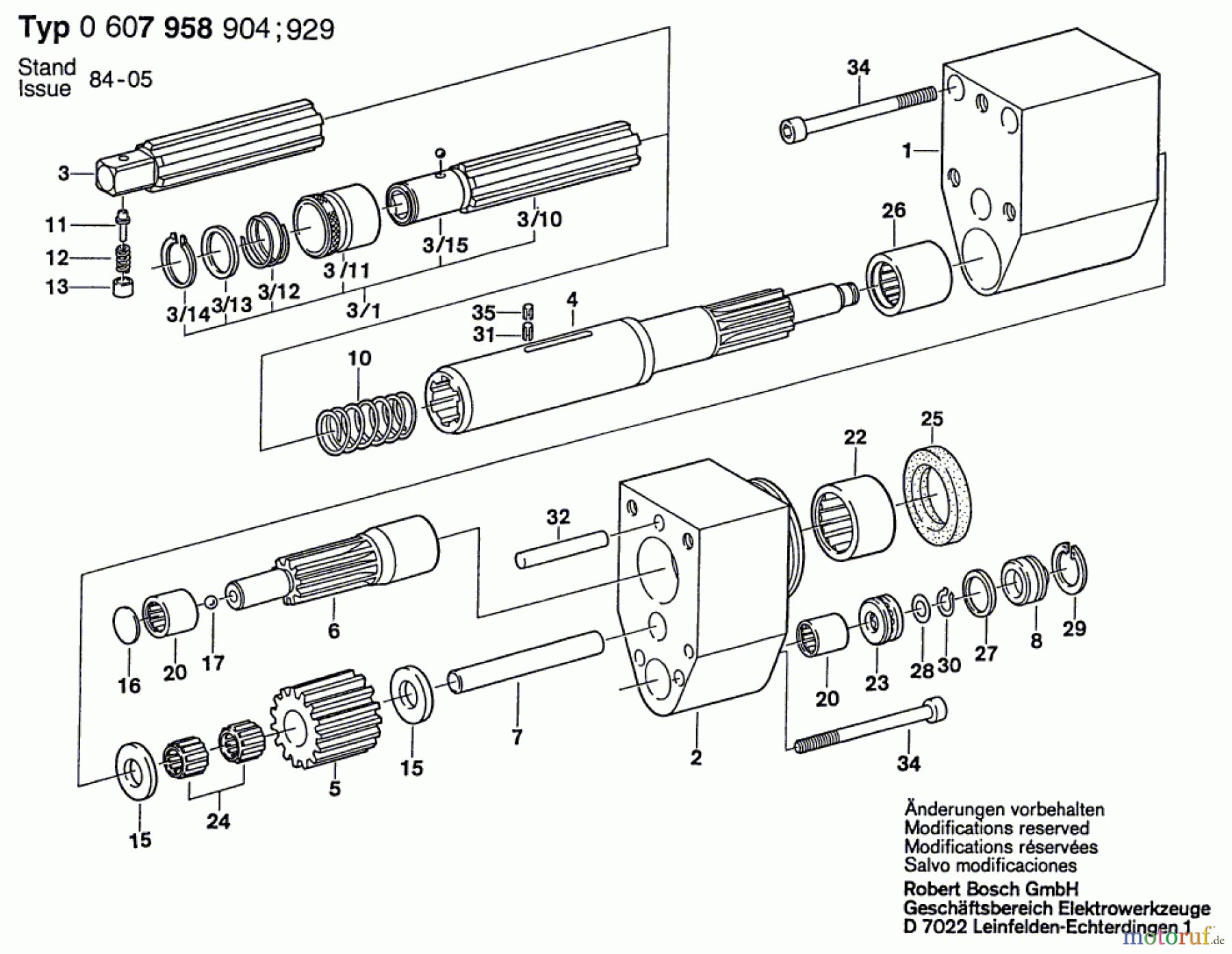
Hier finden Sie die Ersatzteilzeichnung für Bosch Werkzeug Vorsatzgetriebe ---- Seite 1. Wählen Sie das benötigte Ersatzteil aus der Ersatzteilliste Ihres Bosch Gerätes aus und bestellen Sie einfach online. Viele Bosch Ersatzteile halten wir ständig in unserem Lager für Sie bereit.


Qualitätsmanagement
Informieren Sie uns, wenn Sie einen Fehler gefunden haben.

