Einstellungen Computer

Bosch Federzug ---- Ersatzteile

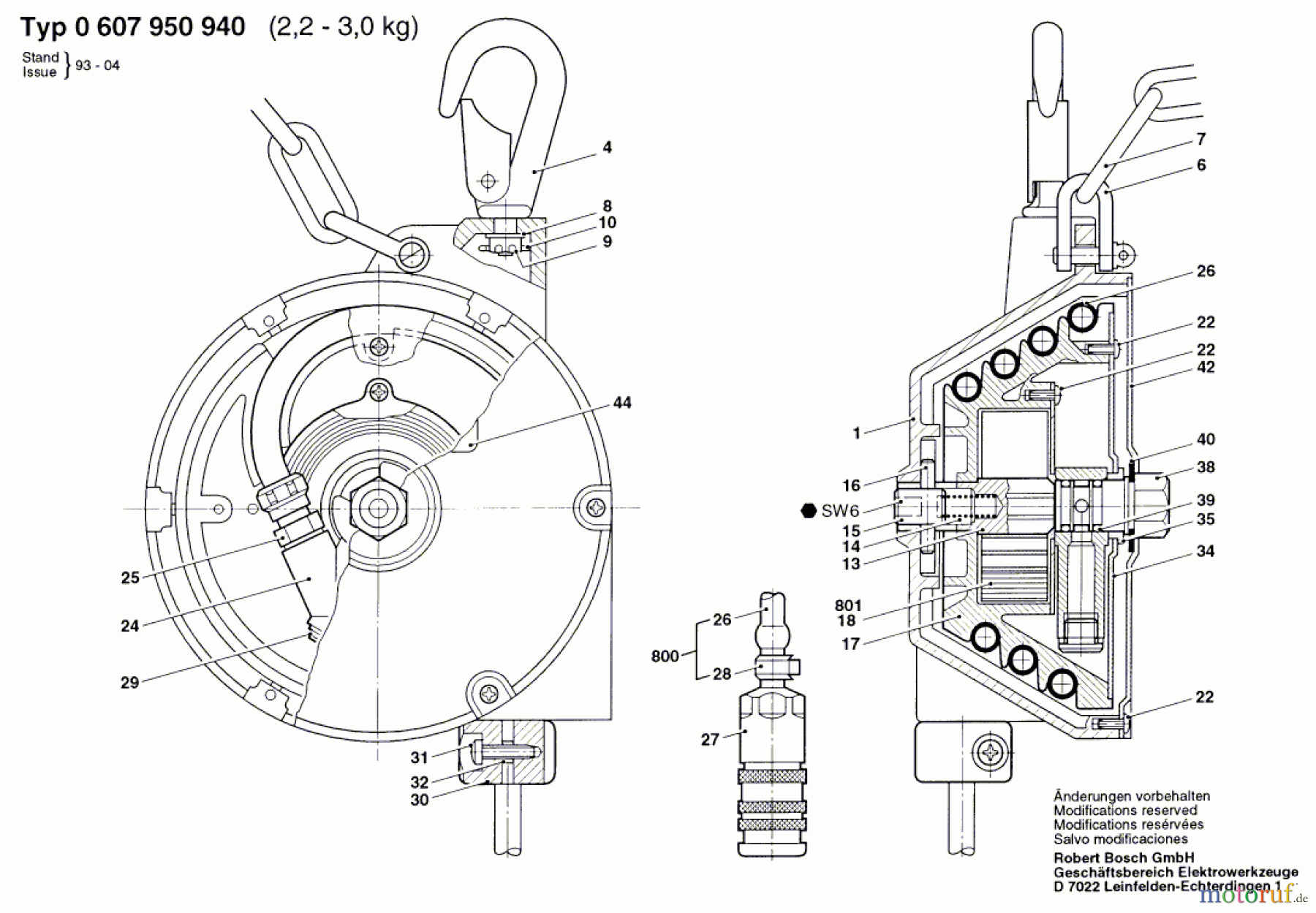
---- Federzug

Artikel Nummer: 0 607 950 940 (0607950940)
 Bosch Werkzeug Federzug ---- Seite 1

Hier finden Sie die Ersatzteilzeichnung für Bosch Werkzeug Federzug ---- Seite 1. Wählen Sie das benötigte Ersatzteil aus der Ersatzteilliste Ihres Bosch Gerätes aus und bestellen Sie einfach online. Viele Bosch Ersatzteile halten wir ständig in unserem Lager für Sie bereit.

Rasen
Bankeinzug, MasterCard, Visa, American Express, PayPal, Nachnahme, Vorauskasse, Sofortüberweisung
Datenschutzerklärung Impressum
Qualitätsmanagement
Informieren Sie uns, wenn Sie einen Fehler gefunden haben.