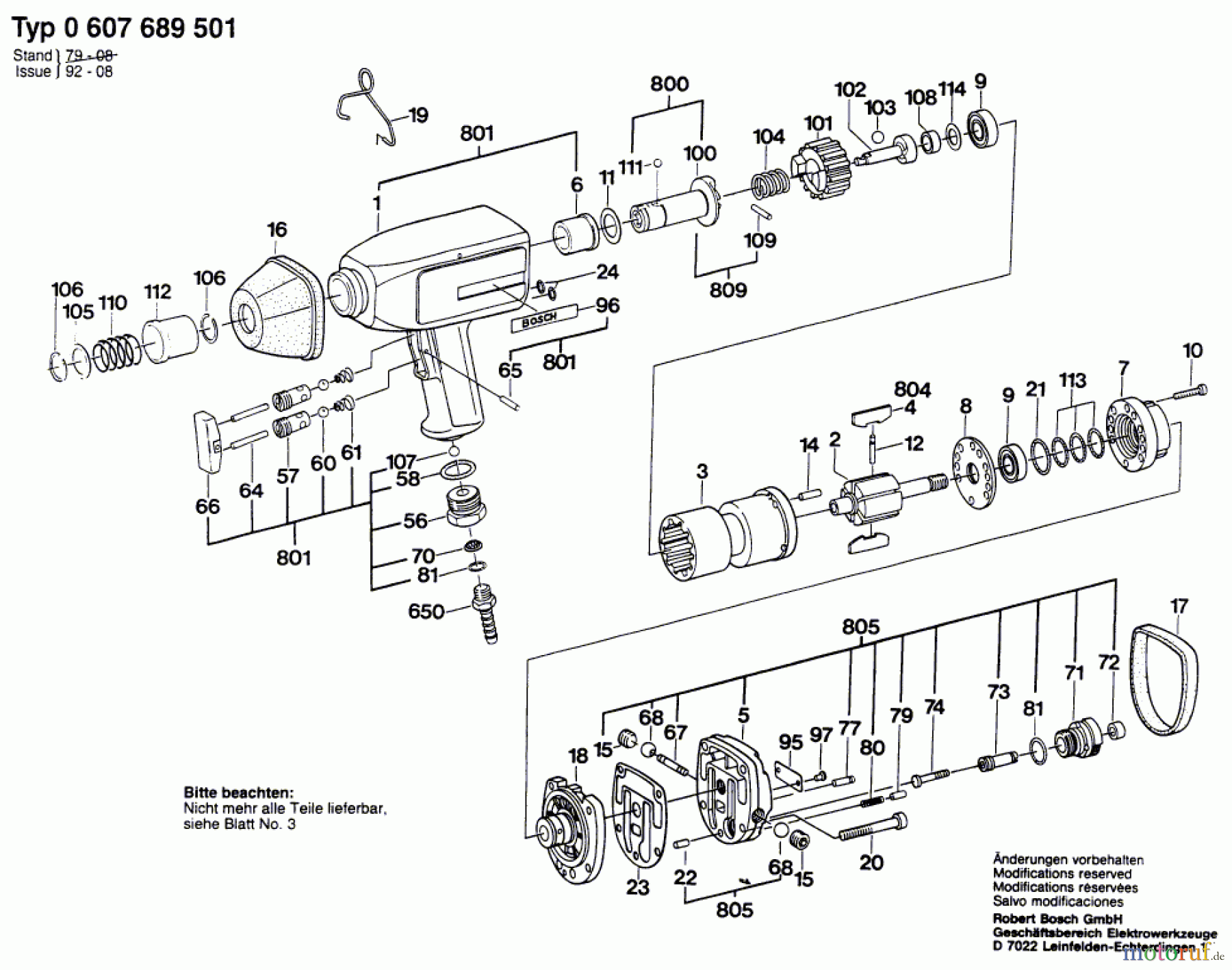
Bosch Schlagschrauber ---- Ersatzteile
---- Schlagschrauber
Artikel Nummer: 0 607 689 501 (0607689501)

Hier finden Sie die Ersatzteilzeichnung für Bosch Werkzeug Schlagschrauber ---- Seite 1. Wählen Sie das benötigte Ersatzteil aus der Ersatzteilliste Ihres Bosch Gerätes aus und bestellen Sie einfach online. Viele Bosch Ersatzteile halten wir ständig in unserem Lager für Sie bereit.