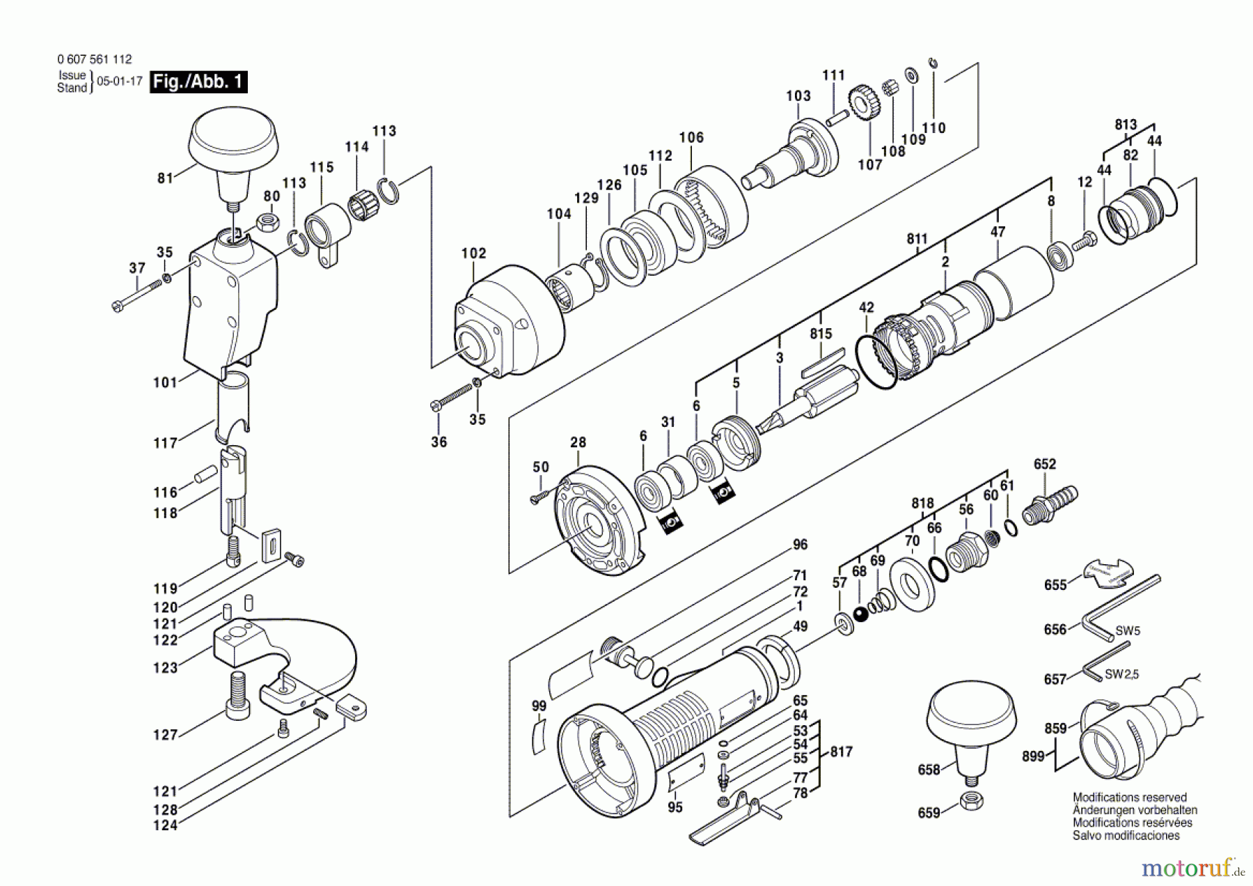
Bosch Pw-Blechschere 400 WATT-SERIE Ersatzteile
400 WATT-SERIE Pw-Blechschere
Artikel Nummer: 0 607 561 112 (0607561112)

Hier finden Sie die Ersatzteilzeichnung für Bosch Werkzeug Pw-Blechschere 400 WATT-SERIE Seite 1. Wählen Sie das benötigte Ersatzteil aus der Ersatzteilliste Ihres Bosch Gerätes aus und bestellen Sie einfach online. Viele Bosch Ersatzteile halten wir ständig in unserem Lager für Sie bereit.


Qualitätsmanagement
Informieren Sie uns, wenn Sie einen Fehler gefunden haben.

