Bosch Pw-Schrauber-Ind 180 WATT-SERIE Ersatzteile
180 WATT-SERIE Pw-Schrauber-Ind
Artikel Nummer: 0 607 453 405 (0607453405)

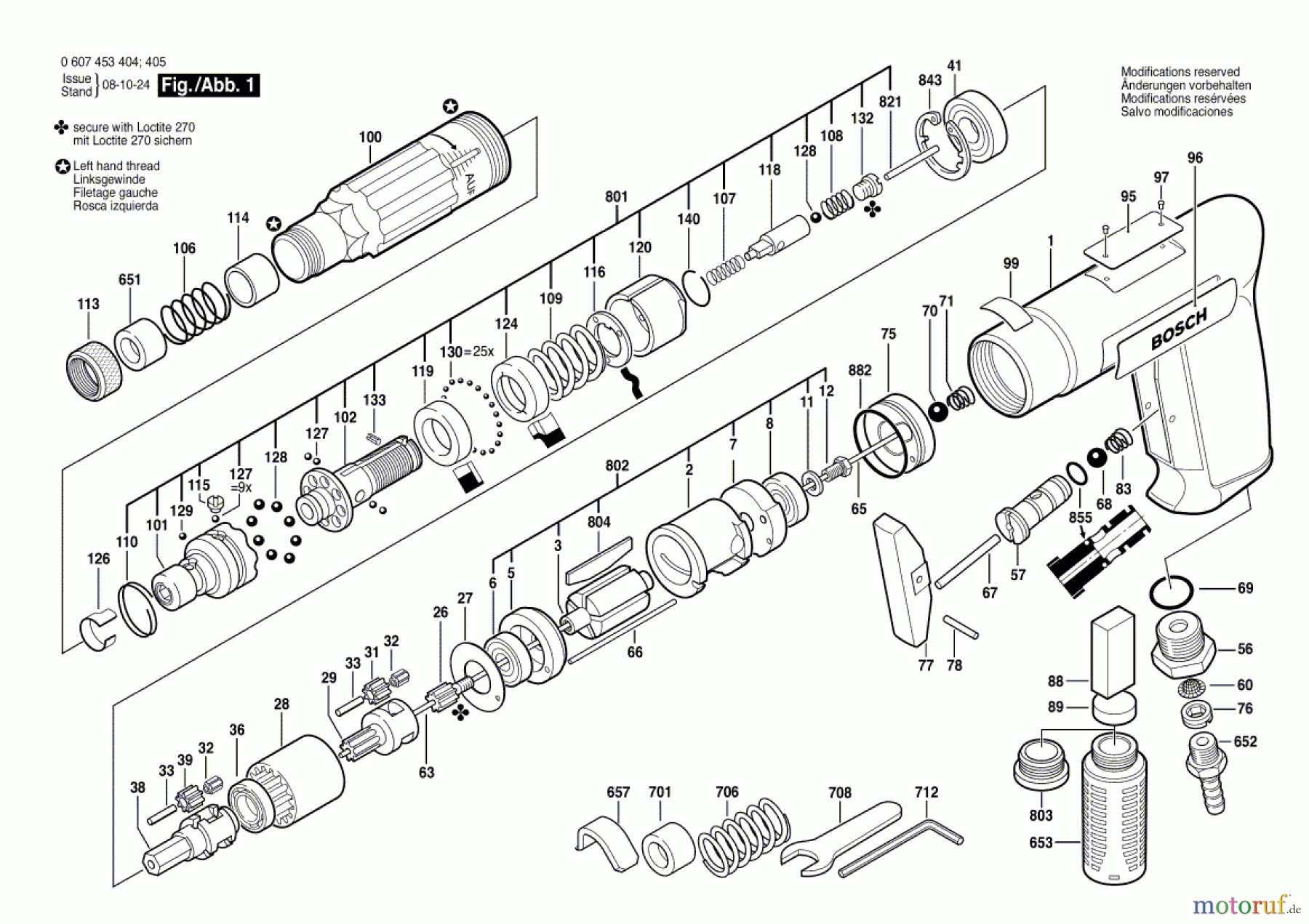
Hier finden Sie die Ersatzteilzeichnung für Bosch Werkzeug Pw-Schrauber-Ind 180 WATT-SERIE Seite 1. Wählen Sie das benötigte Ersatzteil aus der Ersatzteilliste Ihres Bosch Gerätes aus und bestellen Sie einfach online. Viele Bosch Ersatzteile halten wir ständig in unserem Lager für Sie bereit.


Qualitätsmanagement
Informieren Sie uns, wenn Sie einen Fehler gefunden haben.

