Bosch Schlagschrauber DDS 1/2" Ersatzteile
DDS 1/2" Schlagschrauber
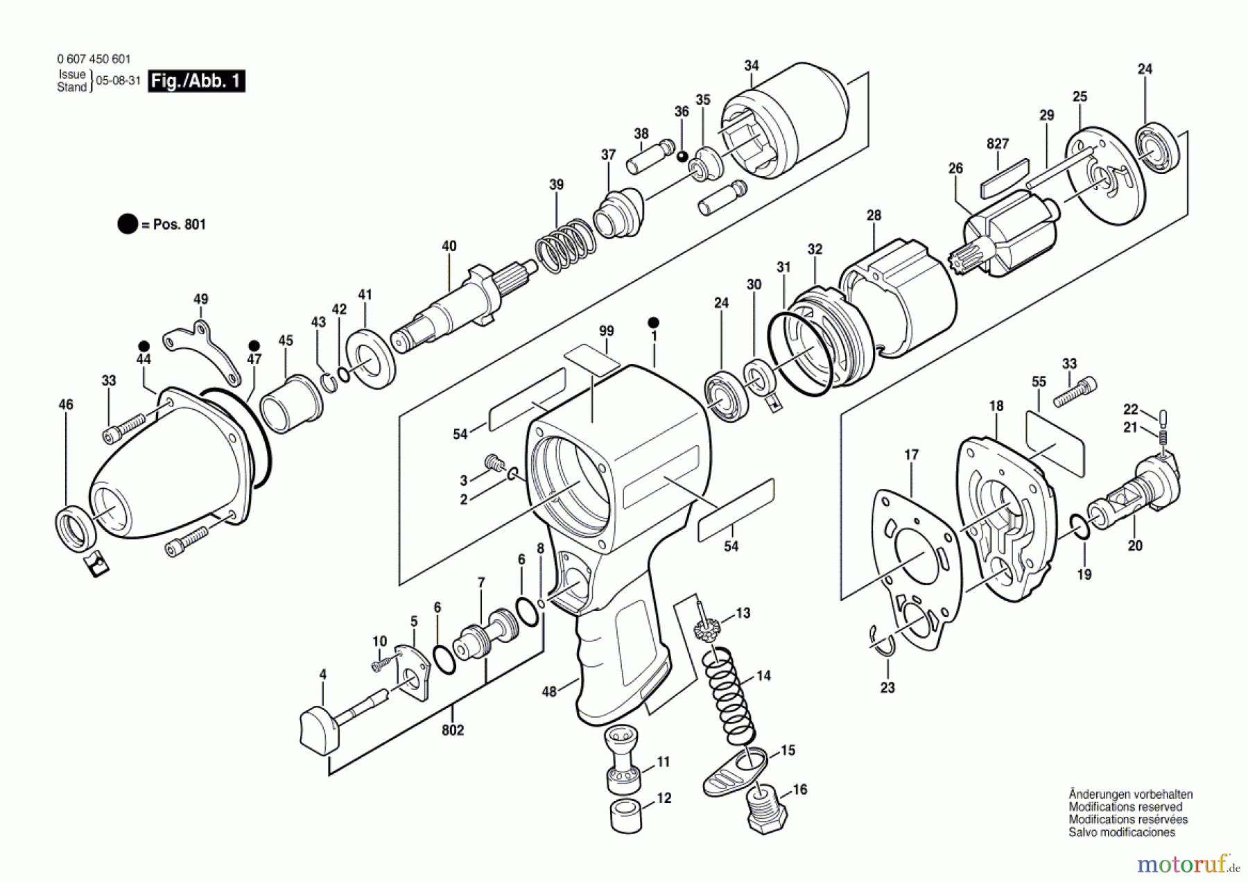
Artikel Nummer: 0 607 450 601 (0607450601)

Hier finden Sie die Ersatzteilzeichnung für Bosch Werkzeug Schlagschrauber DDS 1/2" Seite 1. Wählen Sie das benötigte Ersatzteil aus der Ersatzteilliste Ihres Bosch Gerätes aus und bestellen Sie einfach online. Viele Bosch Ersatzteile halten wir ständig in unserem Lager für Sie bereit.



