Bosch Schlagschrauber ---- Ersatzteile
---- Schlagschrauber
Artikel Nummer: 0 607 450 591 (0607450591)

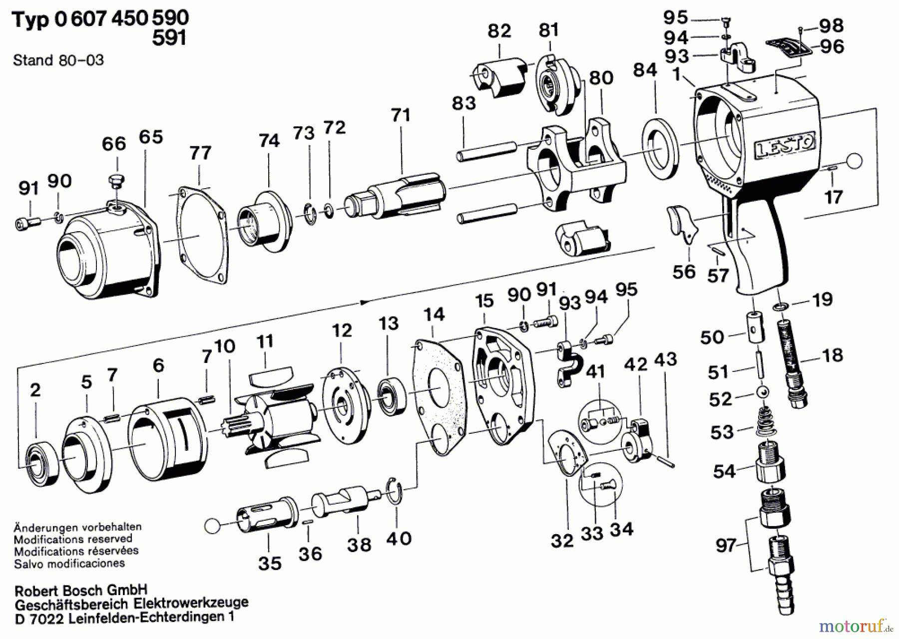
Hier finden Sie die Ersatzteilzeichnung für Bosch Werkzeug Schlagschrauber ---- Seite 1. Wählen Sie das benötigte Ersatzteil aus der Ersatzteilliste Ihres Bosch Gerätes aus und bestellen Sie einfach online. Viele Bosch Ersatzteile halten wir ständig in unserem Lager für Sie bereit.


Qualitätsmanagement
Informieren Sie uns, wenn Sie einen Fehler gefunden haben.

