Bosch Pw-Vertikalschleifer 370 WATT-SERIE Ersatzteile
370 WATT-SERIE Pw-Vertikalschleifer
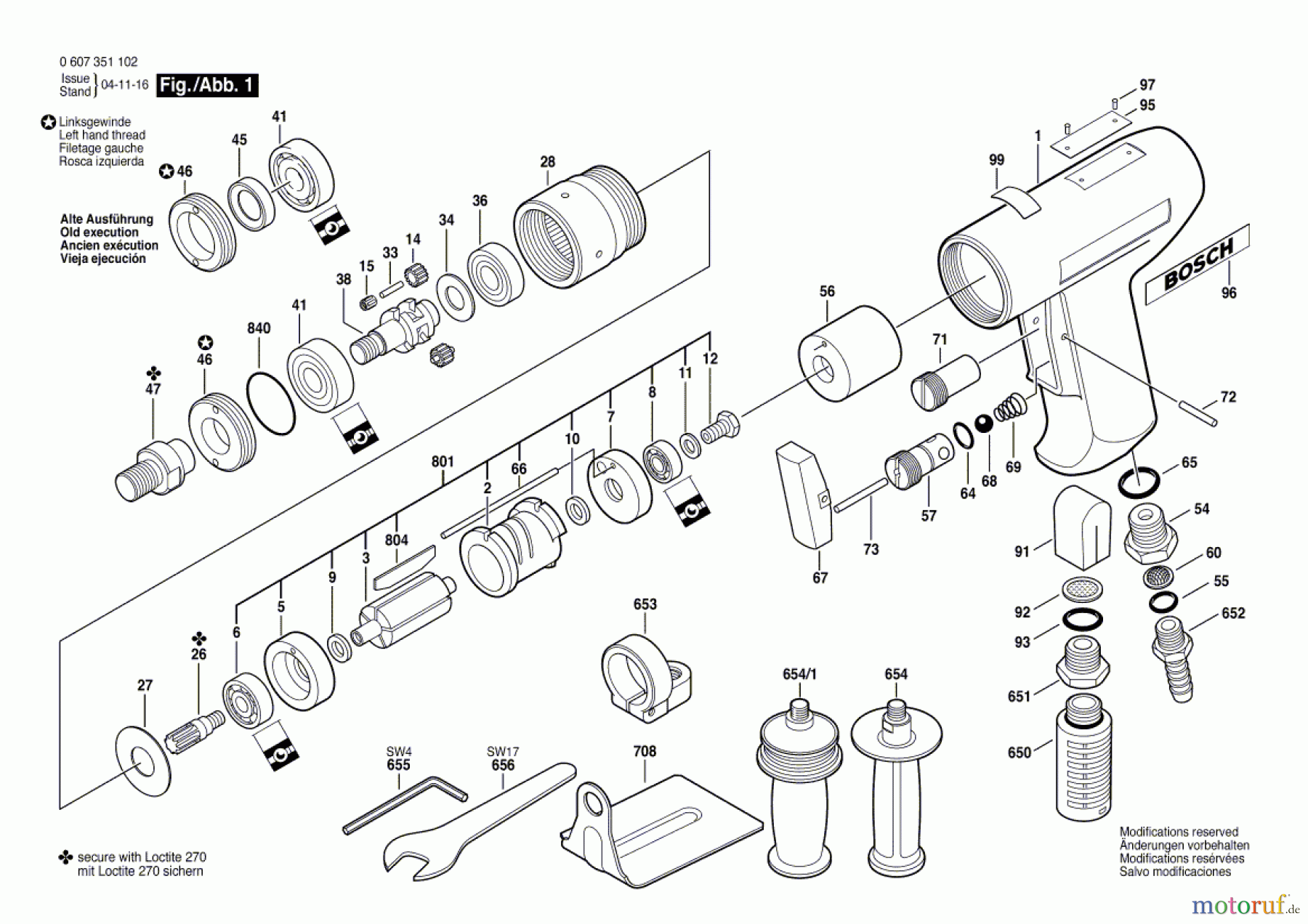
Artikel Nummer: 0 607 351 102 (0607351102)

Hier finden Sie die Ersatzteilzeichnung für Bosch Werkzeug Pw-Vertikalschleifer 370 WATT-SERIE Seite 1. Wählen Sie das benötigte Ersatzteil aus der Ersatzteilliste Ihres Bosch Gerätes aus und bestellen Sie einfach online. Viele Bosch Ersatzteile halten wir ständig in unserem Lager für Sie bereit.


Qualitätsmanagement
Informieren Sie uns, wenn Sie einen Fehler gefunden haben.

