Bosch Pw-Vertikalschleifer ---- Ersatzteile
---- Pw-Vertikalschleifer
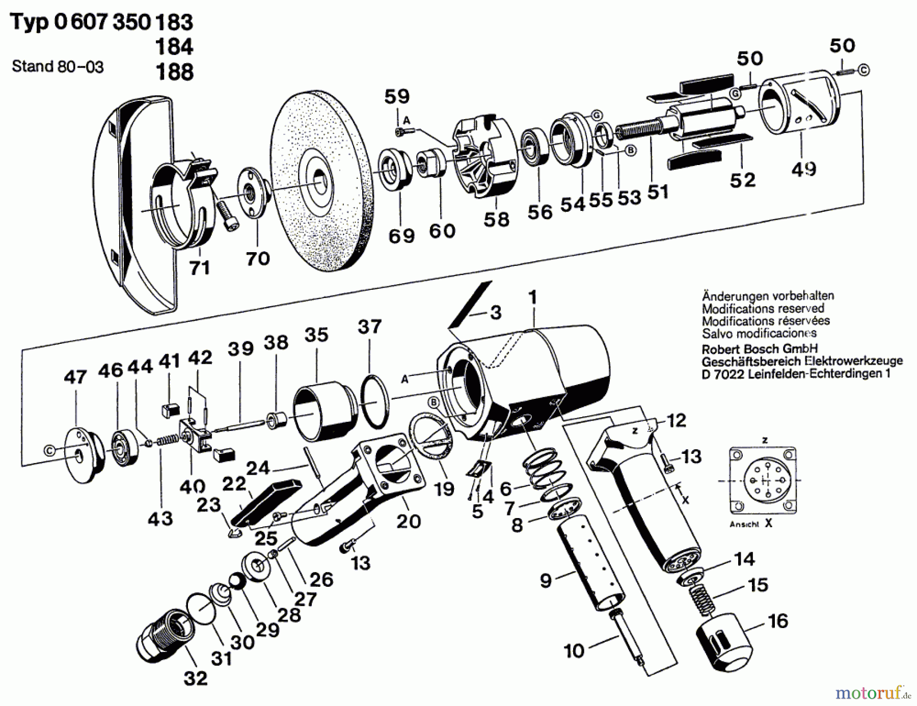
Artikel Nummer: 0 607 350 188 (0607350188)

Hier finden Sie die Ersatzteilzeichnung für Bosch Werkzeug Pw-Vertikalschleifer ---- Seite 1. Wählen Sie das benötigte Ersatzteil aus der Ersatzteilliste Ihres Bosch Gerätes aus und bestellen Sie einfach online. Viele Bosch Ersatzteile halten wir ständig in unserem Lager für Sie bereit.



