Bosch Pw-Geradschleifer 400 WATT-SERIE Ersatzteile
400 WATT-SERIE Pw-Geradschleifer
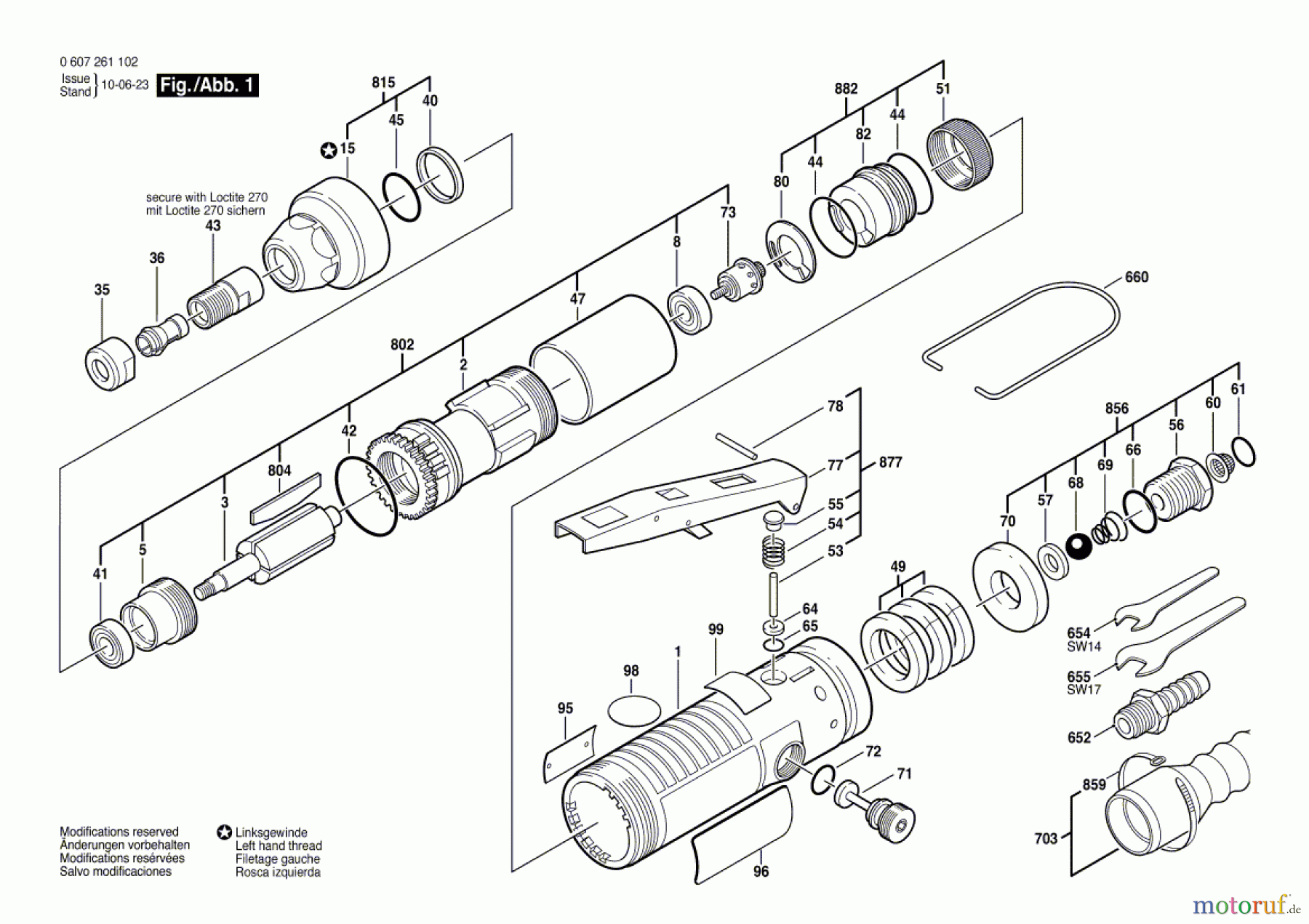
Artikel Nummer: 0 607 261 102 (0607261102)

Hier finden Sie die Ersatzteilzeichnung für Bosch Werkzeug Pw-Geradschleifer 400 WATT-SERIE Seite 1. Wählen Sie das benötigte Ersatzteil aus der Ersatzteilliste Ihres Bosch Gerätes aus und bestellen Sie einfach online. Viele Bosch Ersatzteile halten wir ständig in unserem Lager für Sie bereit.


Qualitätsmanagement
Informieren Sie uns, wenn Sie einen Fehler gefunden haben.

