Bosch Hf-Geradschleifer GERADSCHLEIFER 50 WATT-SERIE Ersatzteile
50 WATT-SERIE GERADSCHLEIFER
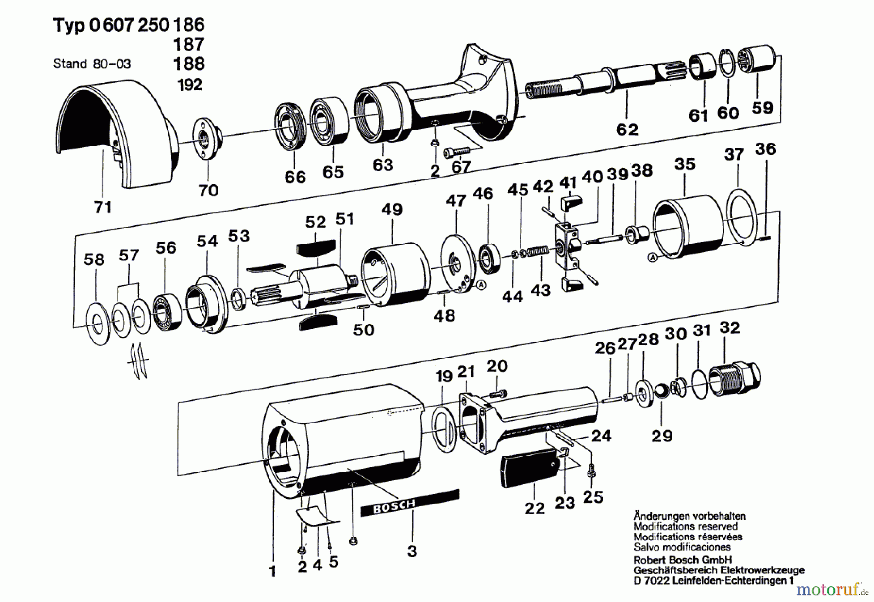
Artikel Nummer: 0 602 228 384 (0602228384) 0 607 250 186 (0607250186)

Hier finden Sie die Ersatzteilzeichnung für Bosch Werkzeug Hf-Geradschleifer GERADSCHLEIFER 50 WATT-SERIE Seite 1. Wählen Sie das benötigte Ersatzteil aus der Ersatzteilliste Ihres Bosch Gerätes aus und bestellen Sie einfach online. Viele Bosch Ersatzteile halten wir ständig in unserem Lager für Sie bereit.


Qualitätsmanagement
Informieren Sie uns, wenn Sie einen Fehler gefunden haben.

