Bosch Bohrmaschine ---- Ersatzteile
---- Bohrmaschine
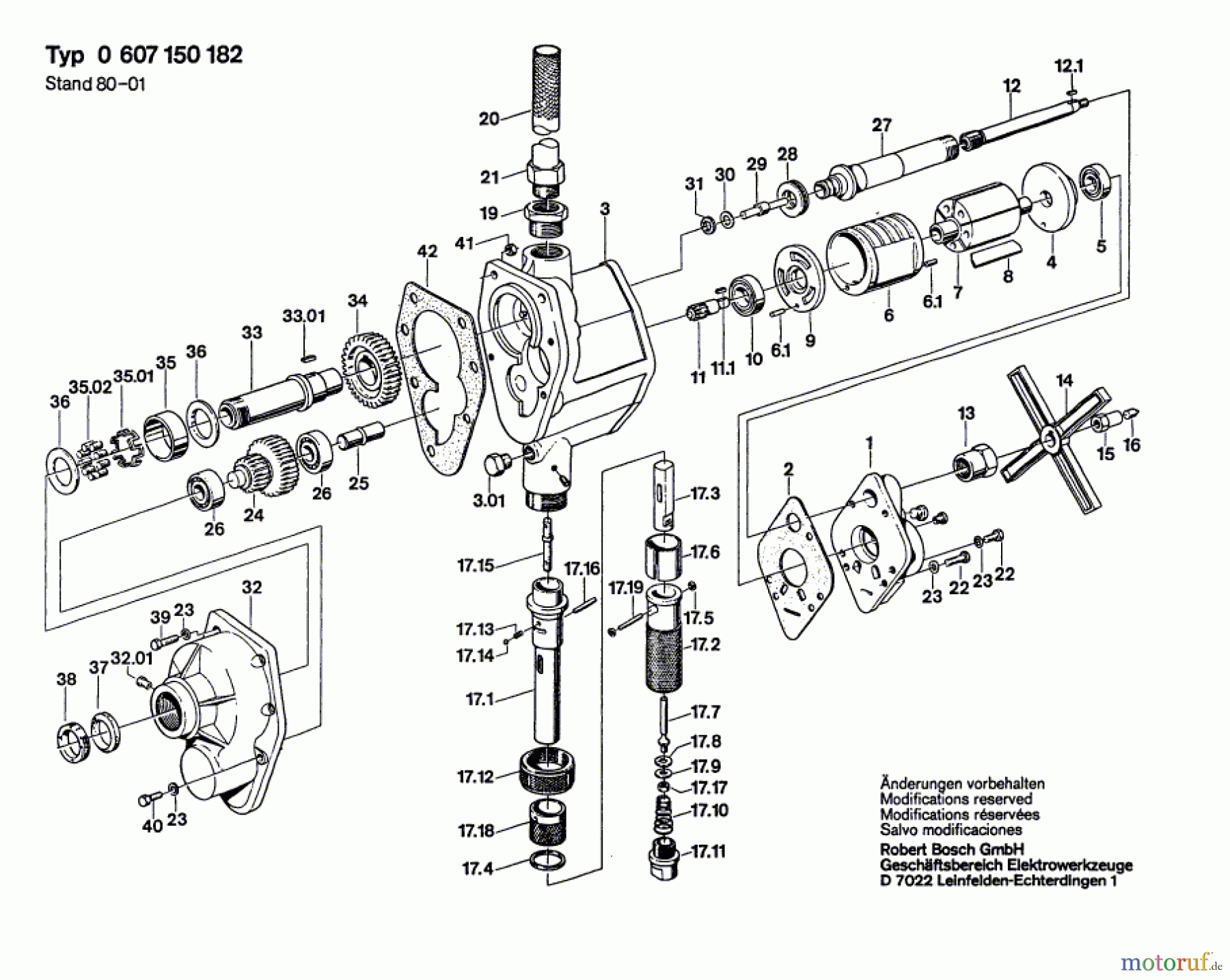
Artikel Nummer: 0 607 150 182 (0607150182)

Hier finden Sie die Ersatzteilzeichnung für Bosch Werkzeug Bohrmaschine ---- Seite 1. Wählen Sie das benötigte Ersatzteil aus der Ersatzteilliste Ihres Bosch Gerätes aus und bestellen Sie einfach online. Viele Bosch Ersatzteile halten wir ständig in unserem Lager für Sie bereit.



