Bosch Stichsäge PST 800 PAC Ersatzteile
PST 800 PAC Stichsäge
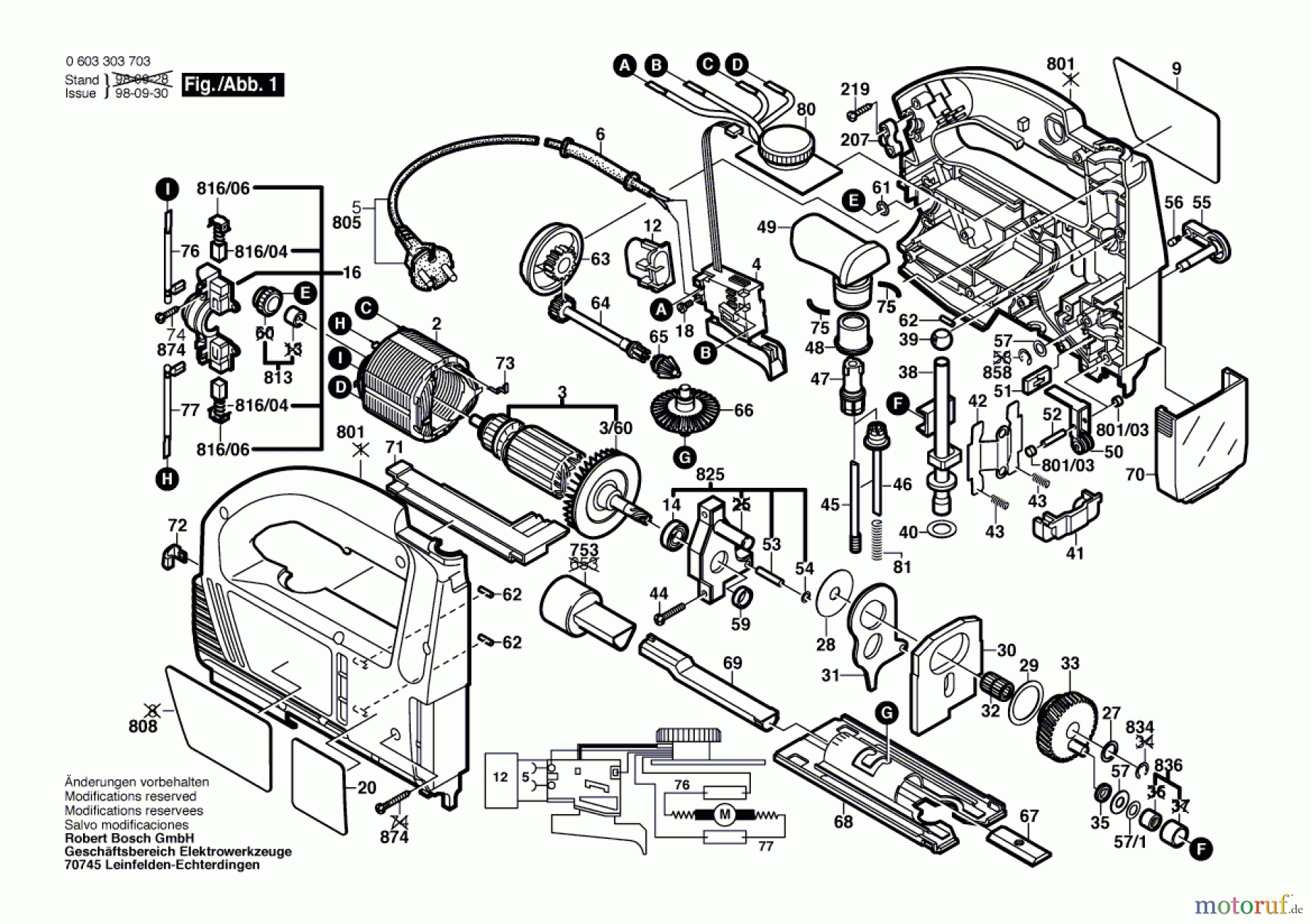
Artikel Nummer: 0 603 303 703 (0603303703)

Hier finden Sie die Ersatzteilzeichnung für Bosch Werkzeug Stichsäge PST 800 PAC Seite 1. Wählen Sie das benötigte Ersatzteil aus der Ersatzteilliste Ihres Bosch Gerätes aus und bestellen Sie einfach online. Viele Bosch Ersatzteile halten wir ständig in unserem Lager für Sie bereit.


Qualitätsmanagement
Informieren Sie uns, wenn Sie einen Fehler gefunden haben.

