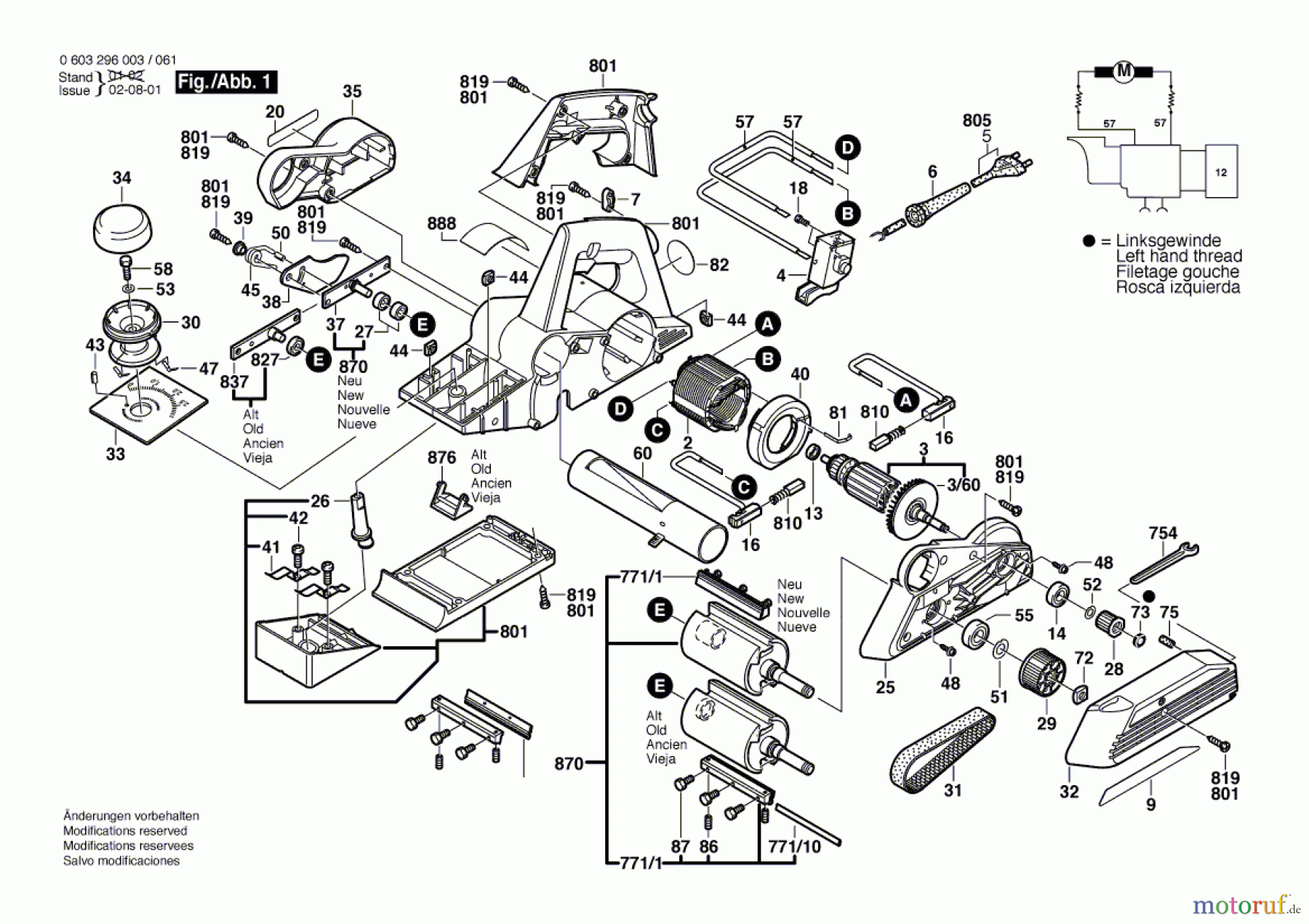
Bosch Handhobel PHO 25-91 Ersatzteile
PHO 25-91 Handhobel
Artikel Nummer: 0 603 296 063 (0603296063)

Hier finden Sie die Ersatzteilzeichnung für Bosch Werkzeug Handhobel PHO 25-91 Seite 1. Wählen Sie das benötigte Ersatzteil aus der Ersatzteilliste Ihres Bosch Gerätes aus und bestellen Sie einfach online. Viele Bosch Ersatzteile halten wir ständig in unserem Lager für Sie bereit.





