Bosch Multisäge PMS 400 Ersatzteile
PMS 400 Multisäge
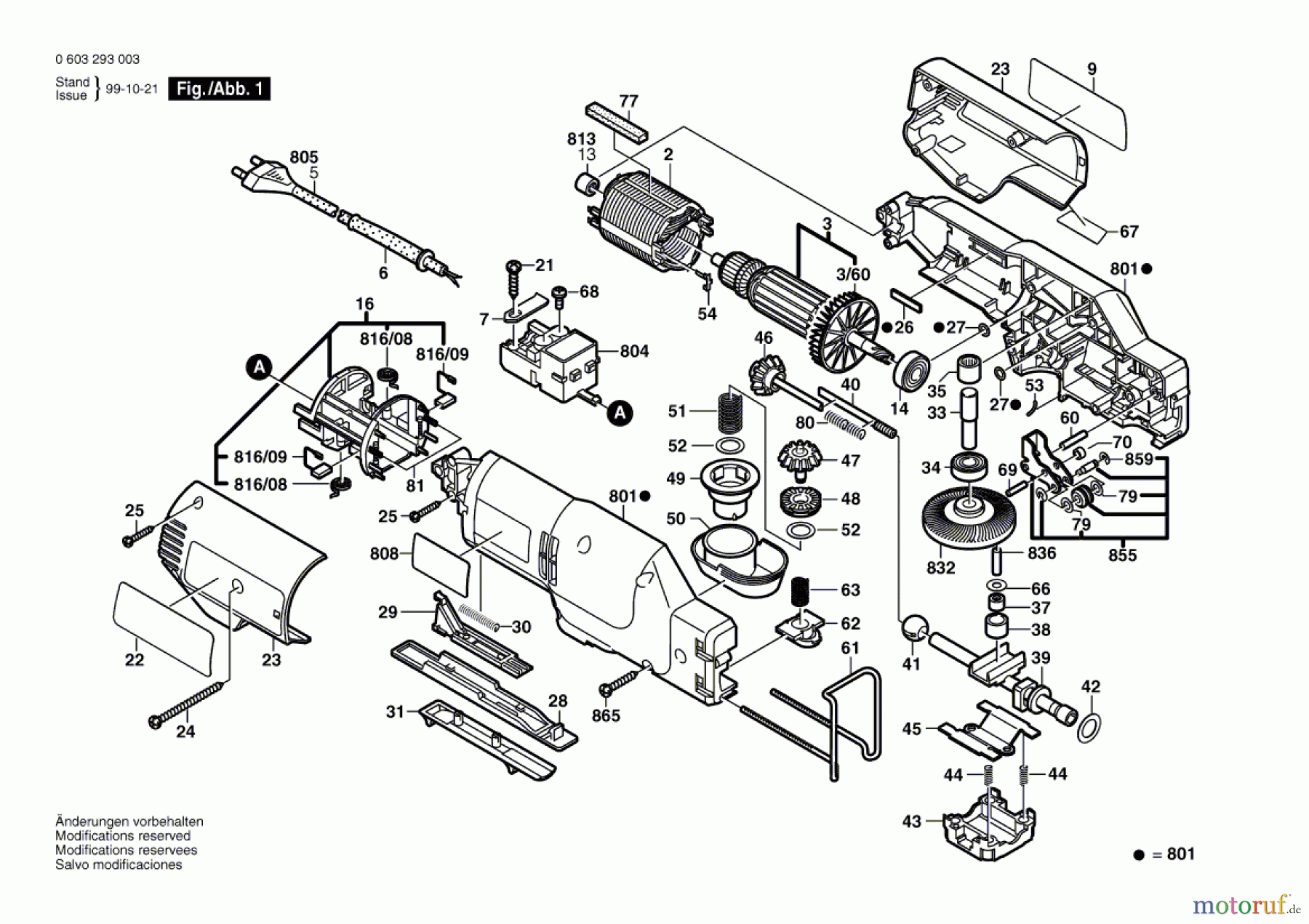
Artikel Nummer: 0 603 293 003 (0603293003)

Hier finden Sie die Ersatzteilzeichnung für Bosch Werkzeug Multisäge PMS 400 Seite 1. Wählen Sie das benötigte Ersatzteil aus der Ersatzteilliste Ihres Bosch Gerätes aus und bestellen Sie einfach online. Viele Bosch Ersatzteile halten wir ständig in unserem Lager für Sie bereit.


Qualitätsmanagement
Informieren Sie uns, wenn Sie einen Fehler gefunden haben.

