Bosch Schwingschleifer PSS 23 E Ersatzteile
PSS 23 E Schwingschleifer
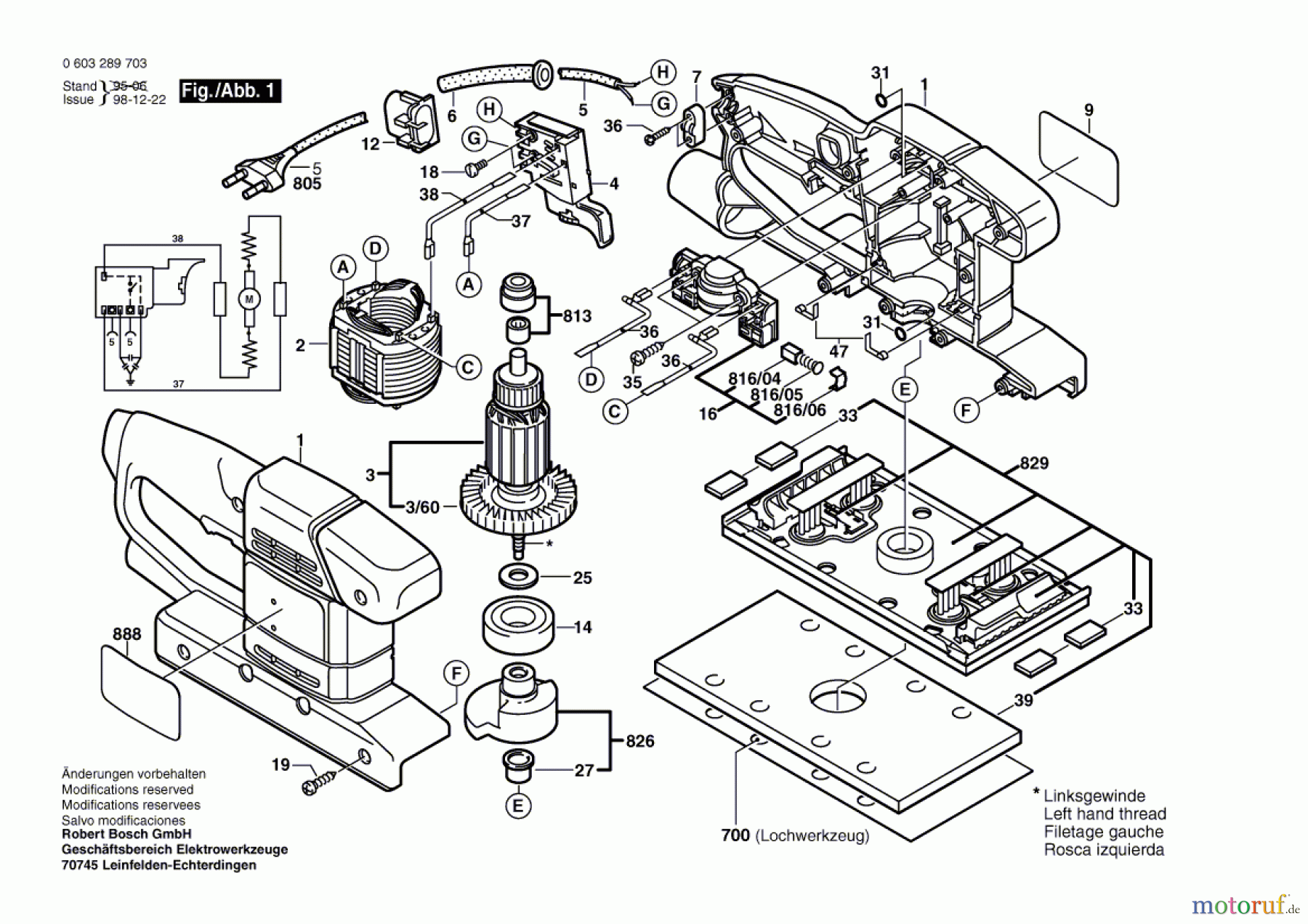
Artikel Nummer: 0 603 289 703 (0603289703)

Hier finden Sie die Ersatzteilzeichnung für Bosch Werkzeug Schwingschleifer PSS 23 E Seite 1. Wählen Sie das benötigte Ersatzteil aus der Ersatzteilliste Ihres Bosch Gerätes aus und bestellen Sie einfach online. Viele Bosch Ersatzteile halten wir ständig in unserem Lager für Sie bereit.


Qualitätsmanagement
Informieren Sie uns, wenn Sie einen Fehler gefunden haben.

