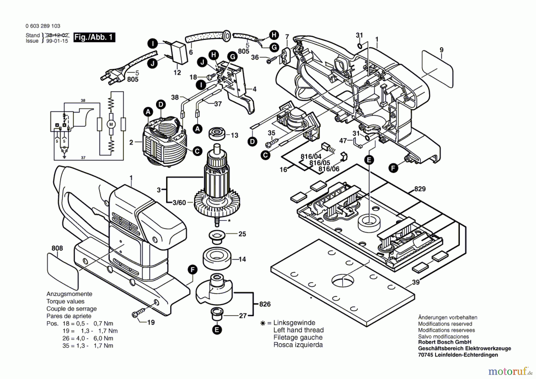
Bosch Schwingschleifer PSS 23 Ersatzteile
PSS 23 Schwingschleifer
Artikel Nummer: 0 603 289 103 (0603289103)

Hier finden Sie die Ersatzteilzeichnung für Bosch Werkzeug Schwingschleifer PSS 23 Seite 1. Wählen Sie das benötigte Ersatzteil aus der Ersatzteilliste Ihres Bosch Gerätes aus und bestellen Sie einfach online. Viele Bosch Ersatzteile halten wir ständig in unserem Lager für Sie bereit.



