Bosch Oberfräse POF 400 A Ersatzteile
POF 400 A Oberfräse
Artikel Nummer: 0 603 261 162 (0603261162)

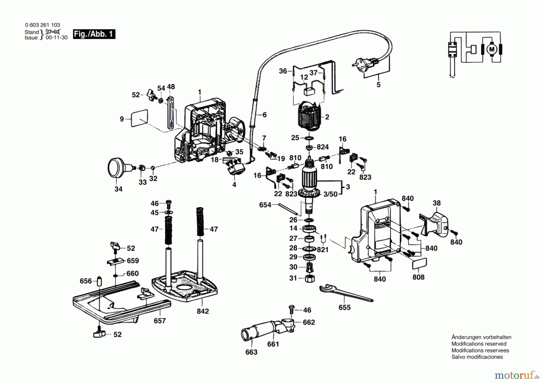
Hier finden Sie die Ersatzteilzeichnung für Bosch Werkzeug Oberfräse POF 400 A Seite 1. Wählen Sie das benötigte Ersatzteil aus der Ersatzteilliste Ihres Bosch Gerätes aus und bestellen Sie einfach online. Viele Bosch Ersatzteile halten wir ständig in unserem Lager für Sie bereit.


Qualitätsmanagement
Informieren Sie uns, wenn Sie einen Fehler gefunden haben.


