Bosch Spritzpistole PSP 260 Ersatzteile
PSP 260 Spritzpistole
Artikel Nummer: 0 603 260 203 (0603260203)

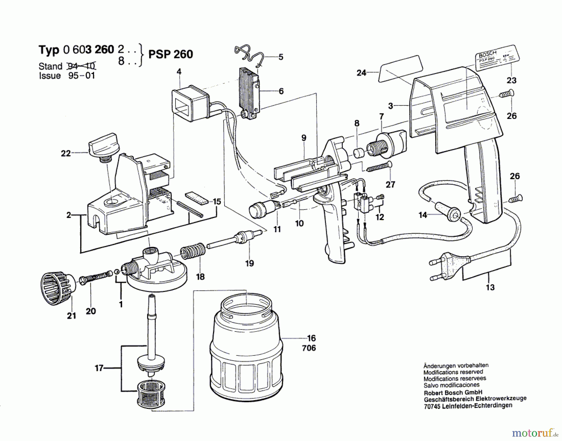
Hier finden Sie die Ersatzteilzeichnung für Bosch Wassertechnik Spritzpistole PSP 260 Seite 1. Wählen Sie das benötigte Ersatzteil aus der Ersatzteilliste Ihres Bosch Gerätes aus und bestellen Sie einfach online. Viele Bosch Ersatzteile halten wir ständig in unserem Lager für Sie bereit.


Qualitätsmanagement
Informieren Sie uns, wenn Sie einen Fehler gefunden haben.

