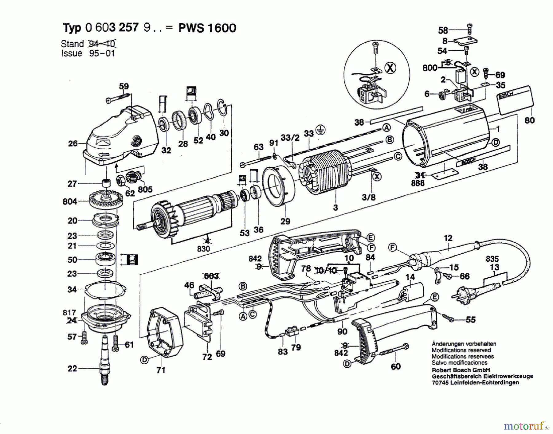
Bosch Hf-Winkelschleifer PWS 1600 Ersatzteile
PWS 1600 Hf-Winkelschleifer
Artikel Nummer: 0 603 257 903 (0603257903)

Hier finden Sie die Ersatzteilzeichnung für Bosch Werkzeug Hf-Winkelschleifer PWS 1600 Seite 1. Wählen Sie das benötigte Ersatzteil aus der Ersatzteilliste Ihres Bosch Gerätes aus und bestellen Sie einfach online. Viele Bosch Ersatzteile halten wir ständig in unserem Lager für Sie bereit.


Qualitätsmanagement
Informieren Sie uns, wenn Sie einen Fehler gefunden haben.

