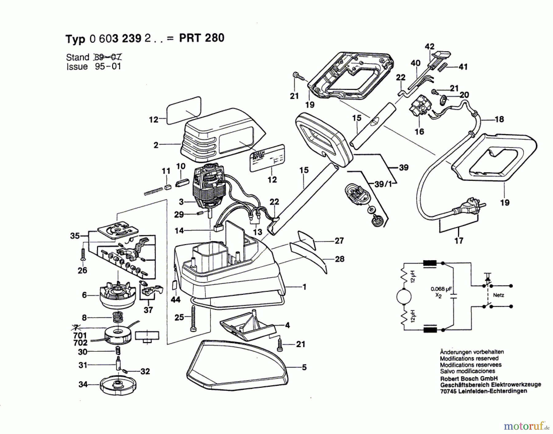
Bosch Rasentrimmer PRT 280 Ersatzteile
PRT 280 Rasentrimmer
Artikel Nummer: 0 603 239 203 (0603239203)

Hier finden Sie die Ersatzteilzeichnung für Bosch Gartengeräte Rasentrimmer PRT 280 Seite 1. Wählen Sie das benötigte Ersatzteil aus der Ersatzteilliste Ihres Bosch Gerätes aus und bestellen Sie einfach online. Viele Bosch Ersatzteile halten wir ständig in unserem Lager für Sie bereit.


Qualitätsmanagement
Informieren Sie uns, wenn Sie einen Fehler gefunden haben.

