Bosch Stichsäge PST 50 A Ersatzteile
PST 50 A Stichsäge
Artikel Nummer: 0 603 229 103 (0603229103)

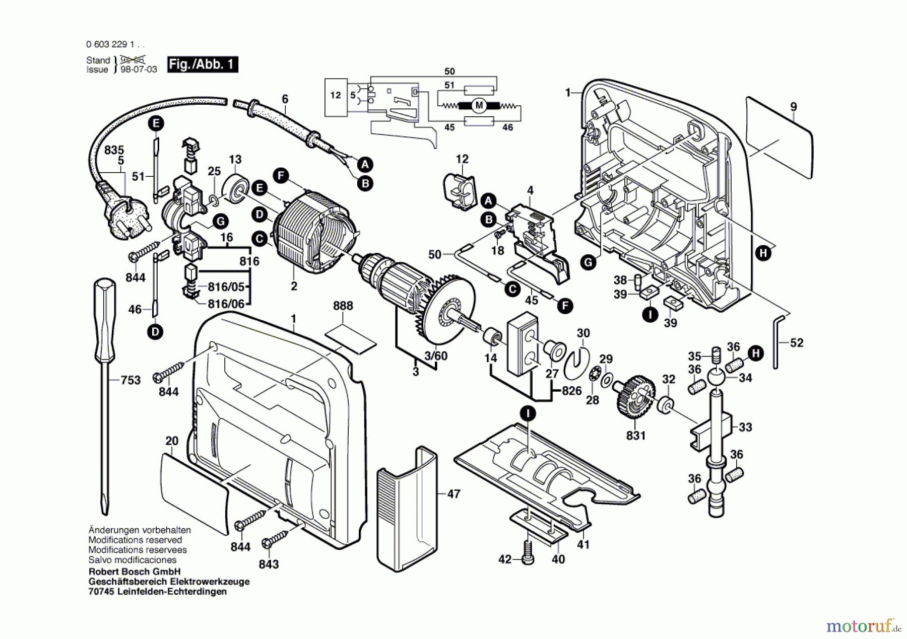
Hier finden Sie die Ersatzteilzeichnung für Bosch Werkzeug Stichsäge PST 50 A Seite 1. Wählen Sie das benötigte Ersatzteil aus der Ersatzteilliste Ihres Bosch Gerätes aus und bestellen Sie einfach online. Viele Bosch Ersatzteile halten wir ständig in unserem Lager für Sie bereit.


Qualitätsmanagement
Informieren Sie uns, wenn Sie einen Fehler gefunden haben.


