Bosch Schlagbohrmaschine CSB 650-2 RET Ersatzteile
CSB 650-2 RET Schlagbohrmaschine
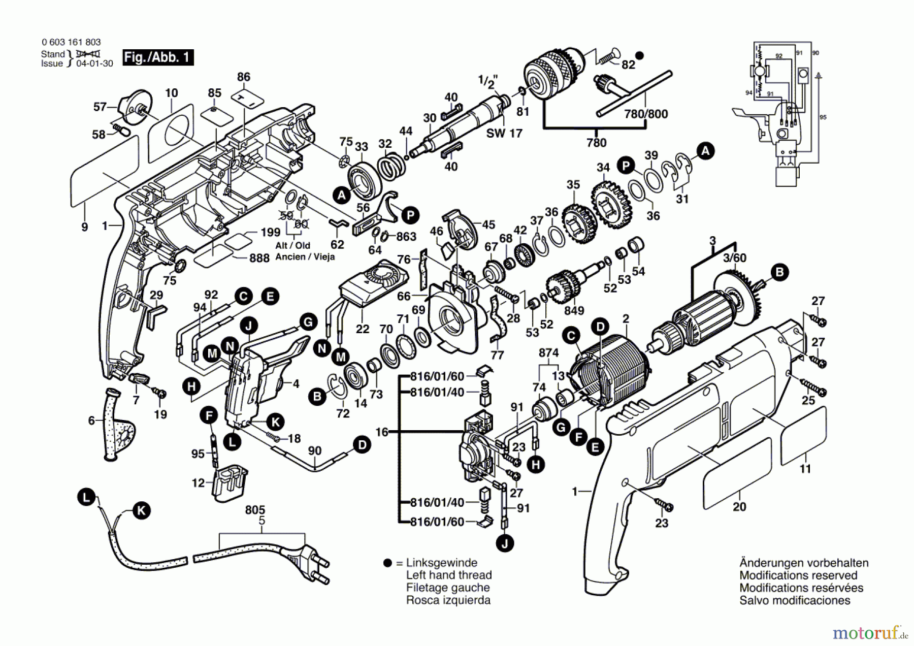
Artikel Nummer: 0 603 161 803 (0603161803)

Hier finden Sie die Ersatzteilzeichnung für Bosch Werkzeug Schlagbohrmaschine CSB 650-2 RET Seite 1. Wählen Sie das benötigte Ersatzteil aus der Ersatzteilliste Ihres Bosch Gerätes aus und bestellen Sie einfach online. Viele Bosch Ersatzteile halten wir ständig in unserem Lager für Sie bereit.


Qualitätsmanagement
Informieren Sie uns, wenn Sie einen Fehler gefunden haben.

