Bosch Winkelschleifer GWS 14-125C Ersatzteile
GWS 14-125C Winkelschleifer
Artikel Nummer: 0 601 804 737 (0601804737)

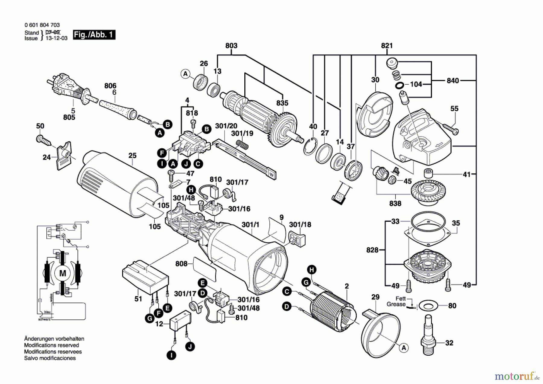
Hier finden Sie die Ersatzteilzeichnung für Bosch Werkzeug Winkelschleifer GWS 14-125C Seite 1. Wählen Sie das benötigte Ersatzteil aus der Ersatzteilliste Ihres Bosch Gerätes aus und bestellen Sie einfach online. Viele Bosch Ersatzteile halten wir ständig in unserem Lager für Sie bereit.


Qualitätsmanagement
Informieren Sie uns, wenn Sie einen Fehler gefunden haben.


