Bosch Winkelschleifer GWS 25-180 Ersatzteile
GWS 25-180 Winkelschleifer
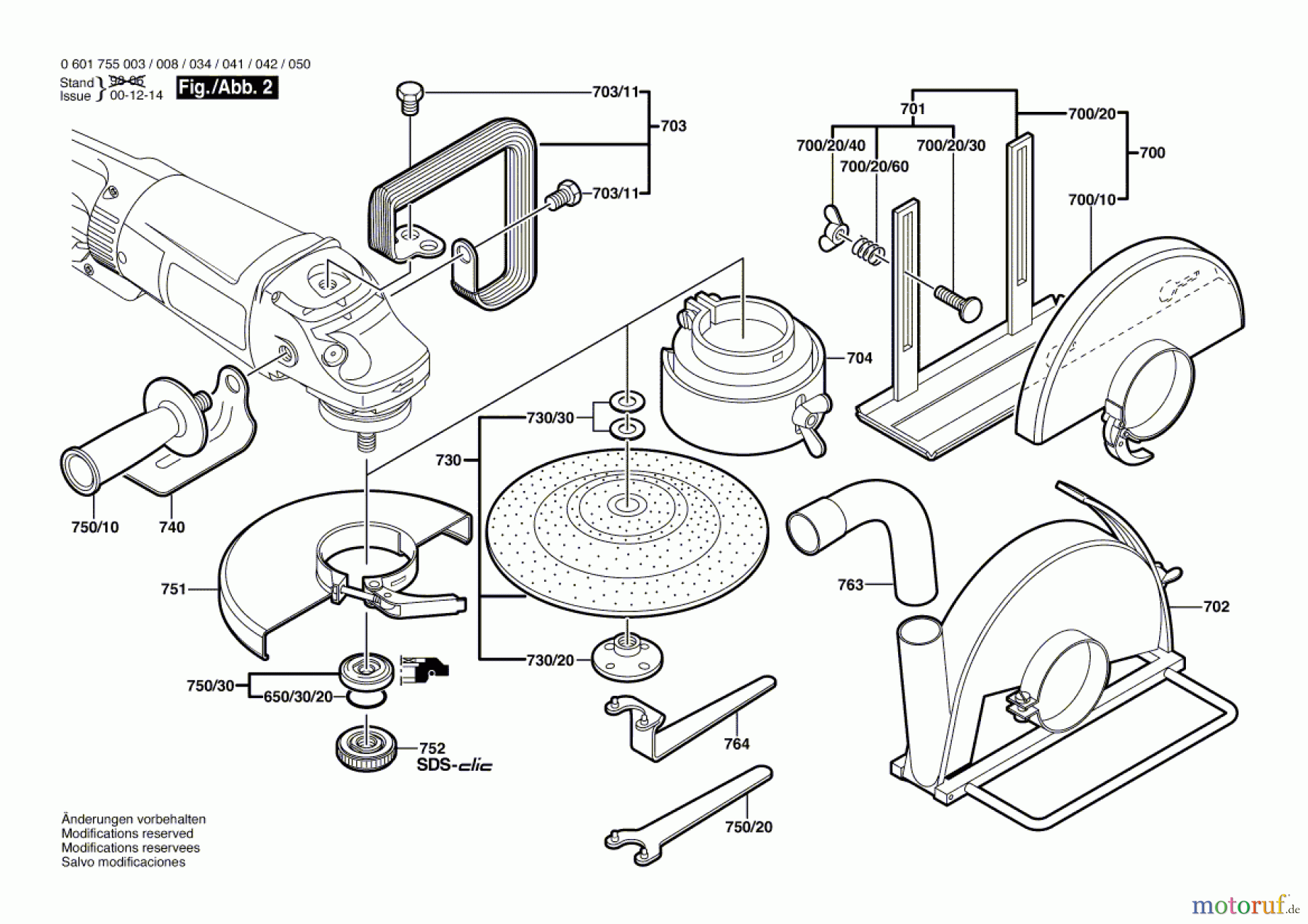
Artikel Nummer: 0 601 755 003 (0601755003)

Hier finden Sie die Ersatzteilzeichnung für Bosch Werkzeug Winkelschleifer GWS 25-180 Seite 2. Wählen Sie das benötigte Ersatzteil aus der Ersatzteilliste Ihres Bosch Gerätes aus und bestellen Sie einfach online. Viele Bosch Ersatzteile halten wir ständig in unserem Lager für Sie bereit.
| BildNr | Artikel Nummer | Bezeichnung | |
| 2 | 1 604 220 51P | Polschuh | |
| 650/30/20 | 1 600 210 039 | O-Ring | |
| 700/20/60 | 1 604 643 003 | Druckfeder | |
| 700/10 | 1 605 510 222 | Schutzhaube | |
| 700 | 1 607 000 250 | Teilesatz | |
| 700/20 | 1 608 135 003 | Führungsschlitten | |
| 700/20/30 | 2 910 281 244 | Flachrundschraube | |
| 700/20/40 | 2 915 191 007 | Flügelmutter | |
| 701 | 1 608 135 003 | Führungsschlitten | |
| 702 | 1 605 510 179 | Absaughaube | |
| 703 | 1 607 000 247 | Bügelgriff | |
| 703/11 | 2 603 450 007 | Sechskantschraube | |
| 704 | 1 605 510 181 | Schutzhaube | |
| 730/20 | 1 603 345 004 | Kreuzlochmutter | |
| 730 | 1 608 601 006 | Stützteller | |
| 730/30 | 2 916 011 022 | Unterlegscheibe | |
| 740 | 1 601 329 013 | Schutzbügel | |
| 750/30 | 1 605 703 099 | Aufnahmeflansch | |
| 750/20 | 1 607 950 048 | Zweilochmutterndreher | |
| 750/10 | 2 602 025 075 | Zusatzhandgriff | |
| 751 | 1 605 510 222 | Schutzhaube | |
| 752 | 1 600 A01 6PP | Schnellspannmutter | |
| 763 | 1 600 793 007 | Saugkrümmer | |
| 764 | 1 607 950 004 | Zweilochmutterndreher | |


Qualitätsmanagement
Informieren Sie uns, wenn Sie einen Fehler gefunden haben.

