Bosch Winkelschleifer GWS 23-230 Ersatzteile
GWS 23-230 Winkelschleifer
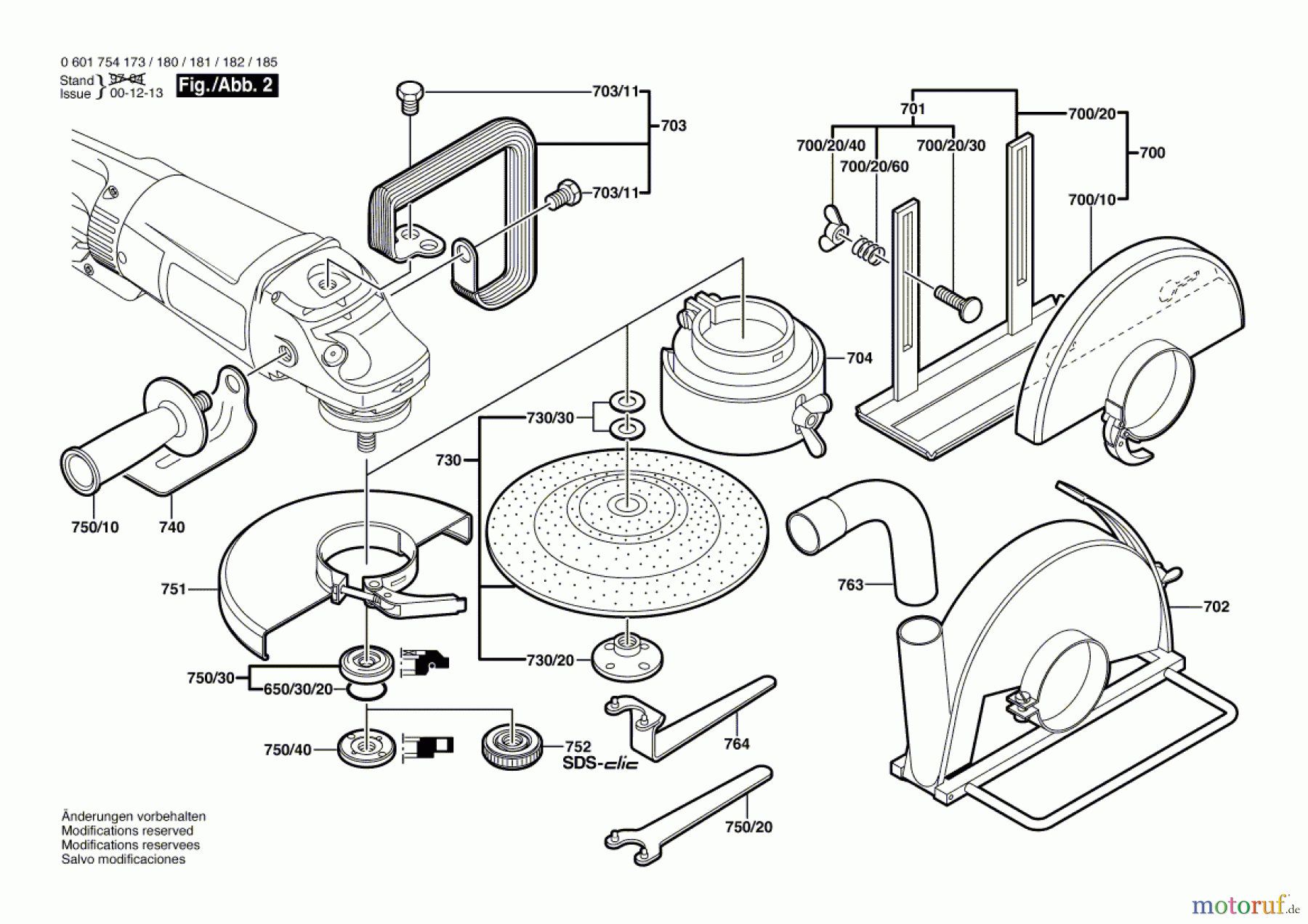
Artikel Nummer: 0 601 754 173 (0601754173)

Hier finden Sie die Ersatzteilzeichnung für Bosch Werkzeug Winkelschleifer GWS 23-230 Seite 2. Wählen Sie das benötigte Ersatzteil aus der Ersatzteilliste Ihres Bosch Gerätes aus und bestellen Sie einfach online. Viele Bosch Ersatzteile halten wir ständig in unserem Lager für Sie bereit.
| BildNr | Artikel Nummer | Bezeichnung | |
| 7 | 1 601 302 018 | Befestigungsschelle | |
| 650/30/20 | 1 600 210 039 | O-Ring | |
| 700/20/60 | 1 604 643 003 | Druckfeder | |
| 700/10 | 1 605 510 223 | Schutzhaube | |
| 700 | 1 607 000 251 | Teilesatz | |
| 700/20 | 1 608 135 003 | Führungsschlitten | |
| 700/20/30 | 2 910 281 244 | Flachrundschraube | |
| 700/20/40 | 2 915 191 007 | Flügelmutter | |
| 701 | 1 608 135 003 | Führungsschlitten | |
| 702 | 1 605 510 180 | Schutzhaube | |
| 703 | 1 607 000 247 | Bügelgriff | |
| 703/11 | 2 603 450 007 | Sechskantschraube | |
| 704 | 1 605 510 181 | Schutzhaube | |
| 730/20 | 1 603 345 004 | Kreuzlochmutter | |
| 730 | 1 608 601 007 | Stützteller | |
| 730/30 | 2 916 011 022 | Unterlegscheibe | |
| 740 | 1 601 329 013 | Schutzbügel | |
| 750/40 | 1 603 340 040 | Spannmutter | |
| 750/30 | 1 605 703 099 | Aufnahmeflansch | |
| 750/20 | 1 607 950 048 | Zweilochmutterndreher | |
| 750/10 | 2 602 025 075 | Zusatzhandgriff | |
| 751 | 1 605 510 223 | Schutzhaube | |
| 752 | 1 600 A01 6PP | Schnellspannmutter | |
| 763 | 1 600 793 007 | Saugkrümmer | |
| 764 | 1 607 950 004 | Zweilochmutterndreher | |



