Bosch Winkelschleifer EWS 125-SE Ersatzteile
EWS 125-SE Winkelschleifer
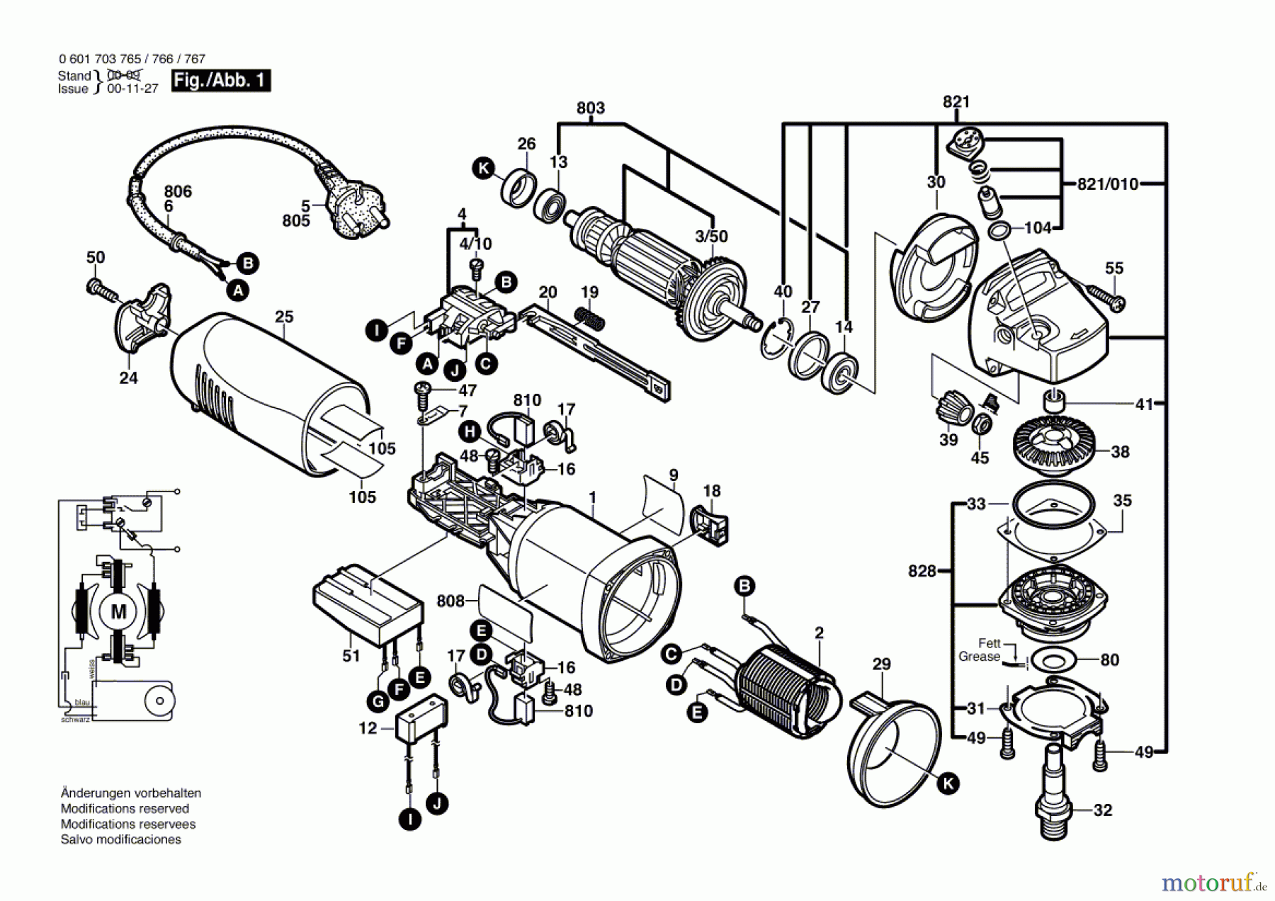
Artikel Nummer: 0 601 703 766 (0601703766)

Hier finden Sie die Ersatzteilzeichnung für Bosch Werkzeug Winkelschleifer EWS 125-SE Seite 1. Wählen Sie das benötigte Ersatzteil aus der Ersatzteilliste Ihres Bosch Gerätes aus und bestellen Sie einfach online. Viele Bosch Ersatzteile halten wir ständig in unserem Lager für Sie bereit.


Qualitätsmanagement
Informieren Sie uns, wenn Sie einen Fehler gefunden haben.


