Bosch Gw-Oberfräse GOF 1200 Ersatzteile
GOF 1200 Gw-Oberfräse
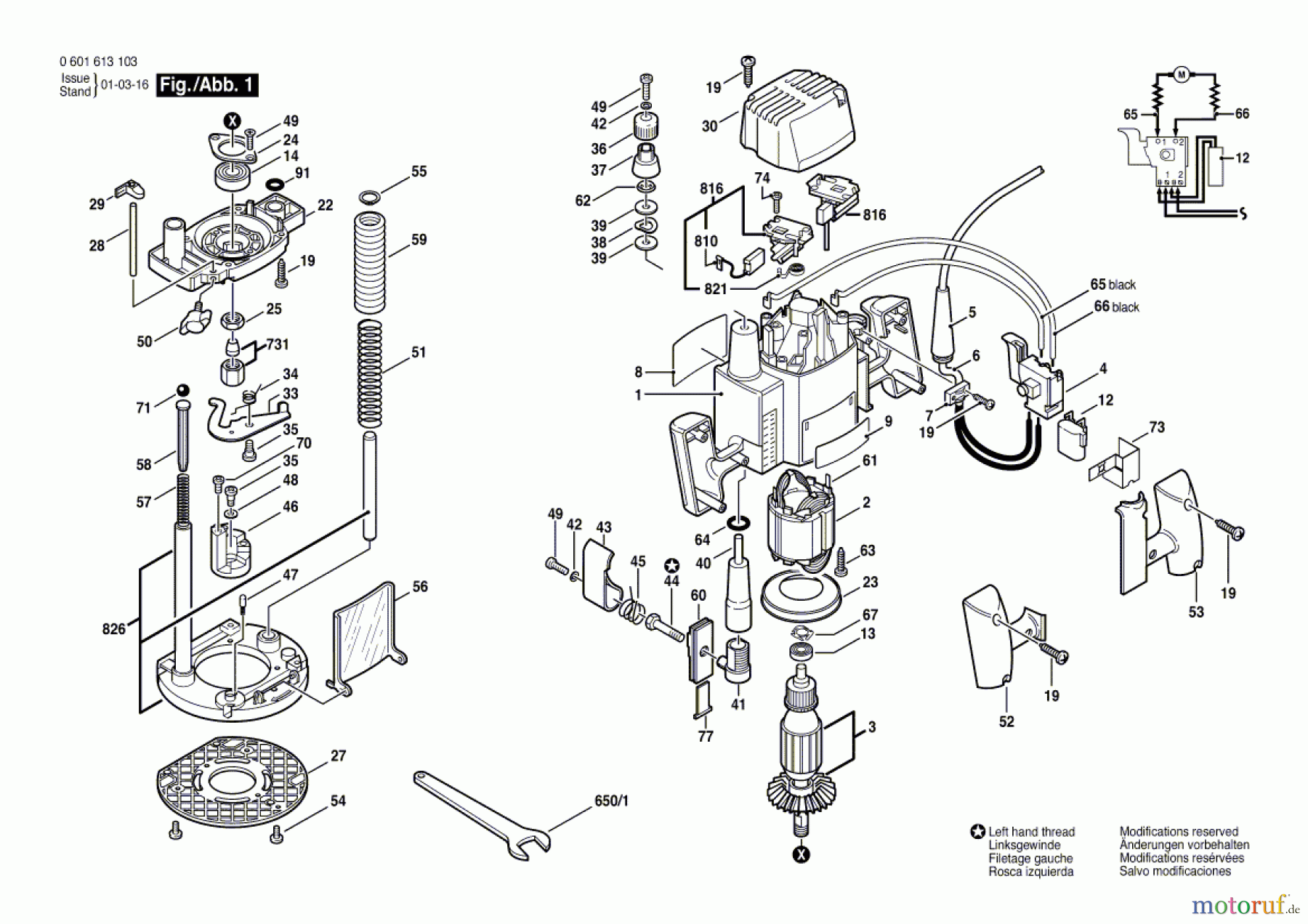
Artikel Nummer: 0 601 613 103 (0601613103)

Hier finden Sie die Ersatzteilzeichnung für Bosch Werkzeug Gw-Oberfräse GOF 1200 Seite 1. Wählen Sie das benötigte Ersatzteil aus der Ersatzteilliste Ihres Bosch Gerätes aus und bestellen Sie einfach online. Viele Bosch Ersatzteile halten wir ständig in unserem Lager für Sie bereit.


Qualitätsmanagement
Informieren Sie uns, wenn Sie einen Fehler gefunden haben.

