Bosch Mauernutfräse GNF 20 CA Ersatzteile
GNF 20 CA Mauernutfräse
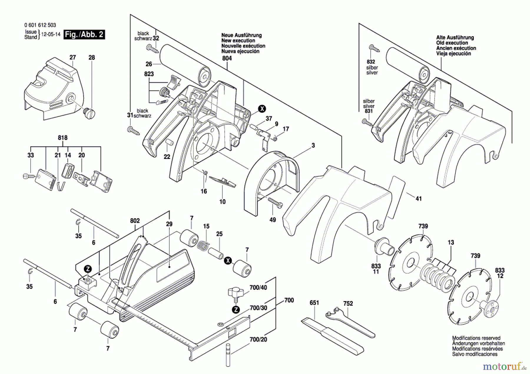
Artikel Nummer: 0 601 612 503 (0601612503)

Hier finden Sie die Ersatzteilzeichnung für Bosch Werkzeug Mauernutfräse GNF 20 CA Seite 2. Wählen Sie das benötigte Ersatzteil aus der Ersatzteilliste Ihres Bosch Gerätes aus und bestellen Sie einfach online. Viele Bosch Ersatzteile halten wir ständig in unserem Lager für Sie bereit.


Qualitätsmanagement
Informieren Sie uns, wenn Sie einen Fehler gefunden haben.