Bosch Hw-Oberfräse GOF 1700 E Ersatzteile
GOF 1700 E Hw-Oberfräse
Artikel Nummer: 0 601 611 703 (0601611703)

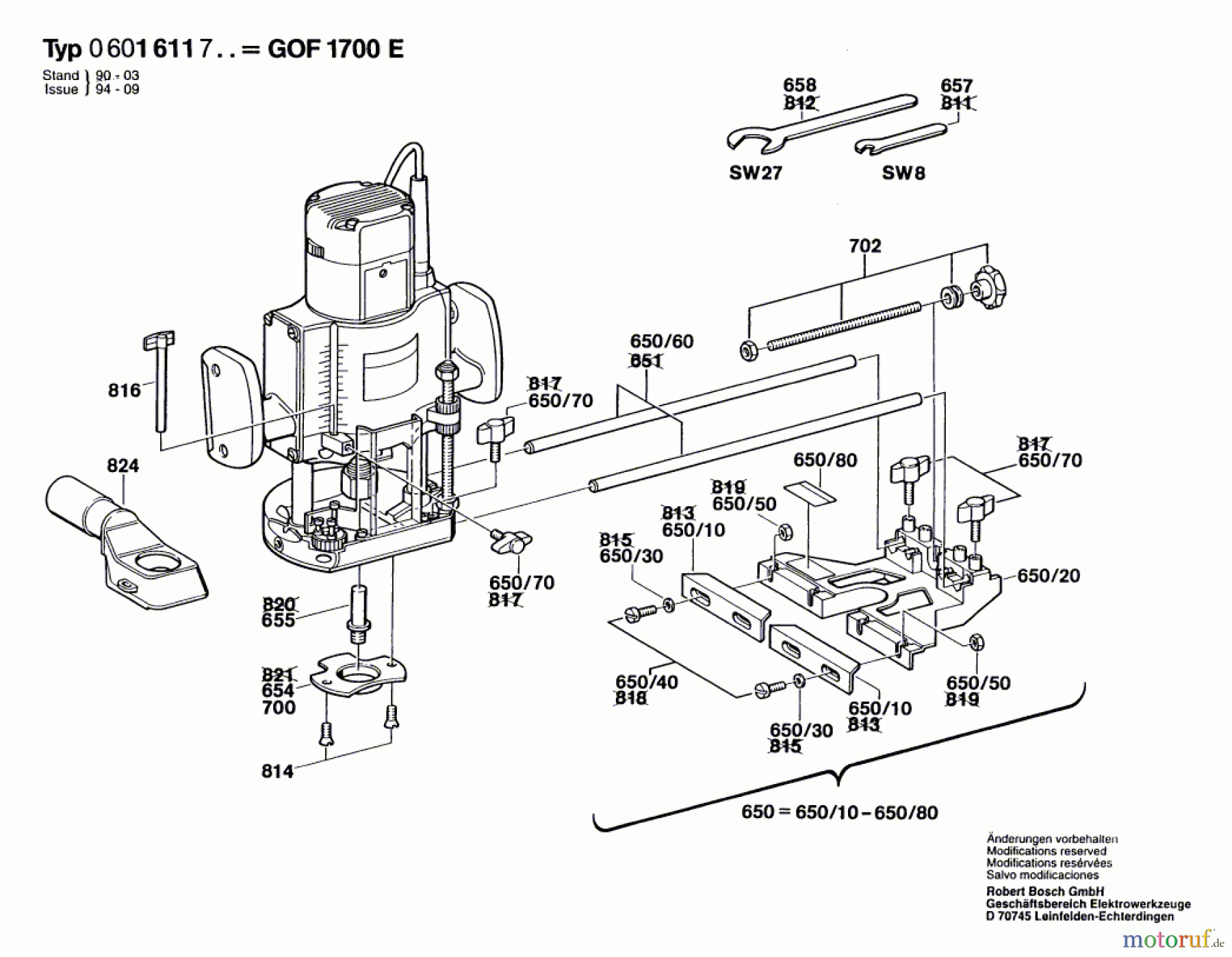
Hier finden Sie die Ersatzteilzeichnung für Bosch Werkzeug Hw-Oberfräse GOF 1700 E Seite 2. Wählen Sie das benötigte Ersatzteil aus der Ersatzteilliste Ihres Bosch Gerätes aus und bestellen Sie einfach online. Viele Bosch Ersatzteile halten wir ständig in unserem Lager für Sie bereit.
| BildNr | Artikel Nummer | Bezeichnung | |
| 54 | 2 916 011 010 | Unterlegscheibe | |
| 650/70 | 1 603 480 018 | Flügelschraube | |
| 650/70 | 2 603 480 003 | Flügelschraube | |
| 650/20 | 2 610 996 063 | Halterahmen | |
| 650/40 | 2 910 011 154 | Zylinderschraube | |
| 650/50 | 2 915 011 006 | Sechskantmutter | |
| 650/30 | 2 916 011 012 | Unterlegscheibe | |
| 650/80 | 3 601 119 612 | Firmenschild | |
| 650/10 | 3 602 386 501 | Führungsplatte | |
| 650/60 | 3 603 001 518 | Führungsstange | |
| 650 | 3 607 000 620 | Parallelanschlag | |
| 654 | 3 605 703 528 | Werkzeugführung | |
| 655 | 3 603 523 501 | Gewindespindel | |
| 657 | 2 607 950 504 | Einmaulschlüssel | |
| 658 | 1 907 950 514 | Einmaulschlüssel | |
| 700 | 3 605 703 527 | Werkzeugführung | |
| 700 | 3 605 703 529 | Werkzeugführung | |
| 814 | 3 603 415 553 | Senkschraube | |
| 816 | 3 603 029 500 | Tauchzeiger | |
| 824 | 3 608 939 626 | Vakuumadapter | |


Qualitätsmanagement
Informieren Sie uns, wenn Sie einen Fehler gefunden haben.

