Bosch Handhobel GHO 14,4 V Ersatzteile
GHO 14,4 V Handhobel
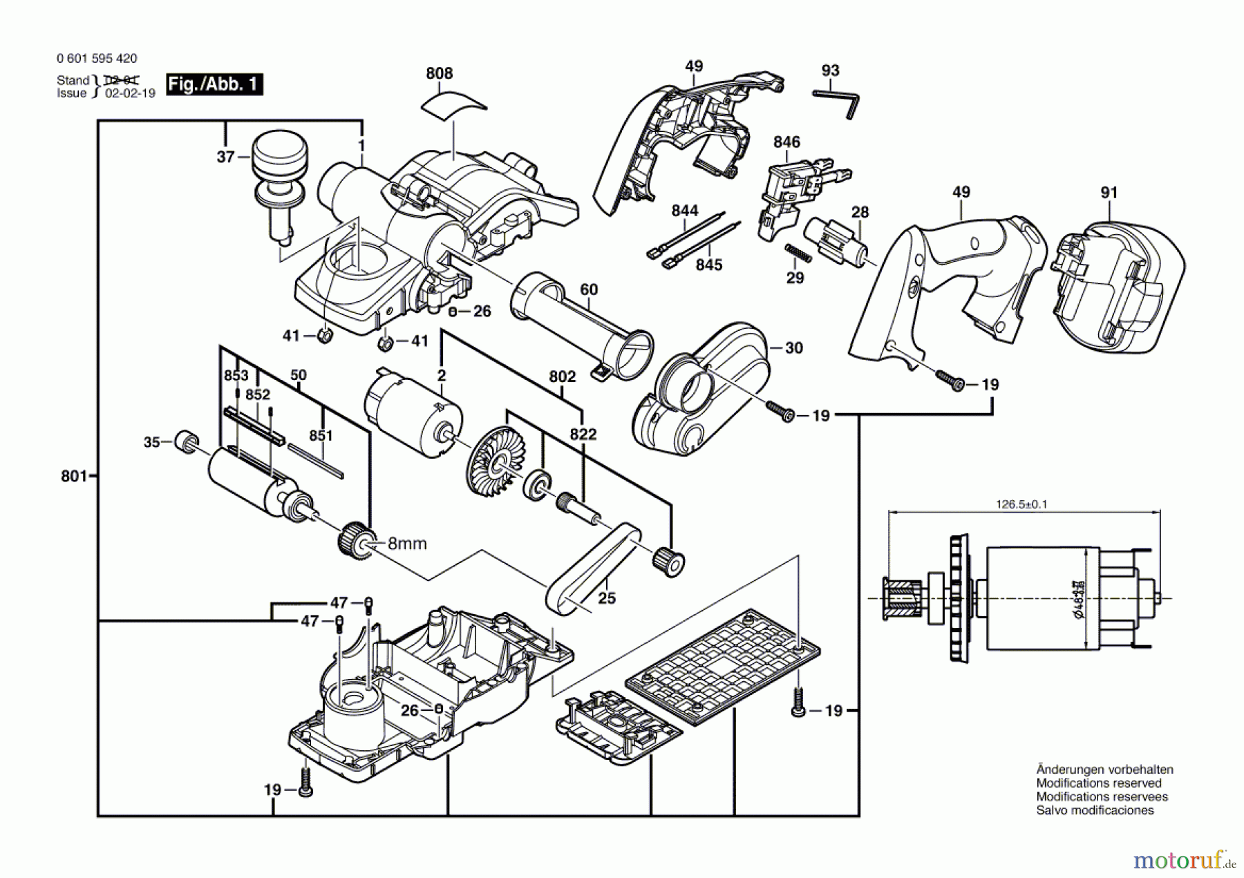
Artikel Nummer: 0 601 595 420 (0601595420)

Hier finden Sie die Ersatzteilzeichnung für Bosch Werkzeug Handhobel GHO 14,4 V Seite 1. Wählen Sie das benötigte Ersatzteil aus der Ersatzteilliste Ihres Bosch Gerätes aus und bestellen Sie einfach online. Viele Bosch Ersatzteile halten wir ständig in unserem Lager für Sie bereit.


Qualitätsmanagement
Informieren Sie uns, wenn Sie einen Fehler gefunden haben.

