Bosch Handkreissäge GKS 68 BC Ersatzteile
GKS 68 BC Handkreissäge
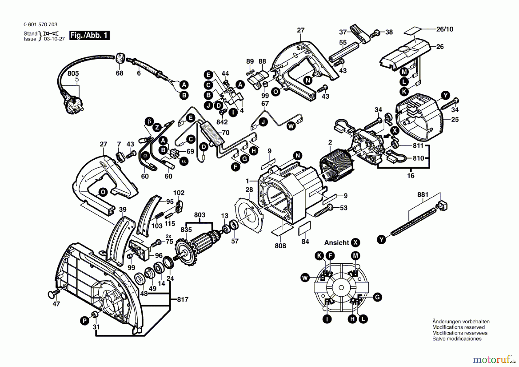
Artikel Nummer: 0 601 570 703 (0601570703)

Hier finden Sie die Ersatzteilzeichnung für Bosch Werkzeug Handkreissäge GKS 68 BC Seite 1. Wählen Sie das benötigte Ersatzteil aus der Ersatzteilliste Ihres Bosch Gerätes aus und bestellen Sie einfach online. Viele Bosch Ersatzteile halten wir ständig in unserem Lager für Sie bereit.


Qualitätsmanagement
Informieren Sie uns, wenn Sie einen Fehler gefunden haben.

