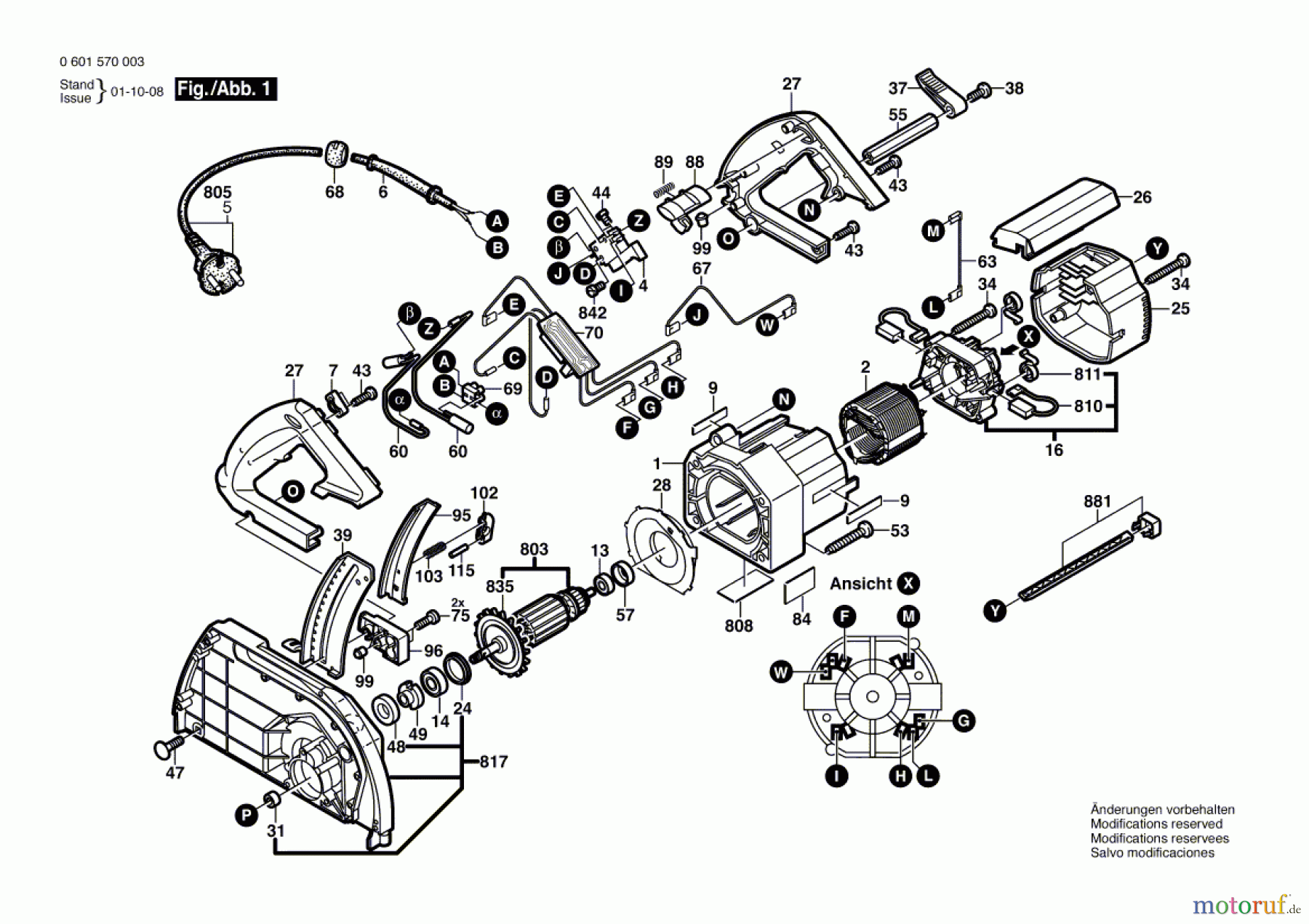
Bosch Handkreissäge GKS 68 B Ersatzteile
GKS 68 B Handkreissäge
Artikel Nummer: 0 601 570 003 (0601570003)

Hier finden Sie die Ersatzteilzeichnung für Bosch Werkzeug Handkreissäge GKS 68 B Seite 1. Wählen Sie das benötigte Ersatzteil aus der Ersatzteilliste Ihres Bosch Gerätes aus und bestellen Sie einfach online. Viele Bosch Ersatzteile halten wir ständig in unserem Lager für Sie bereit.



