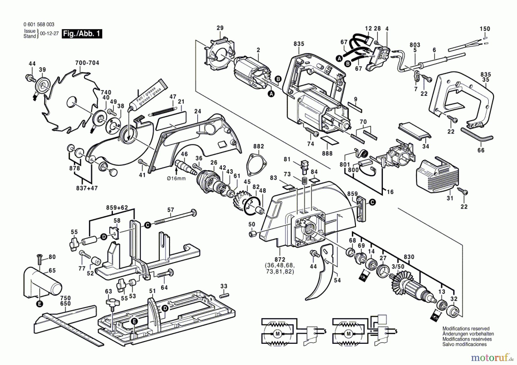
Bosch Handkreissäge GKS 65 Ersatzteile
GKS 65 Handkreissäge
Artikel Nummer: 0 601 568 003 (0601568003) 

Hier finden Sie die Ersatzteilzeichnung für Bosch Werkzeug Handkreissäge GKS 65 Seite 1. Wählen Sie das benötigte Ersatzteil aus der Ersatzteilliste Ihres Bosch Gerätes aus und bestellen Sie einfach online. Viele Bosch Ersatzteile halten wir ständig in unserem Lager für Sie bereit.





