Bosch Winkelschleifer GWS 14-125 CE Ersatzteile
GWS 14-125 CE Winkelschleifer
Artikel Nummer: 0 601 385 903 (0601385903)

Hier finden Sie die Ersatzteilzeichnung für Bosch Werkzeug Winkelschleifer GWS 14-125 CE Seite 2. Wählen Sie das benötigte Ersatzteil aus der Ersatzteilliste Ihres Bosch Gerätes aus und bestellen Sie einfach online. Viele Bosch Ersatzteile halten wir ständig in unserem Lager für Sie bereit.
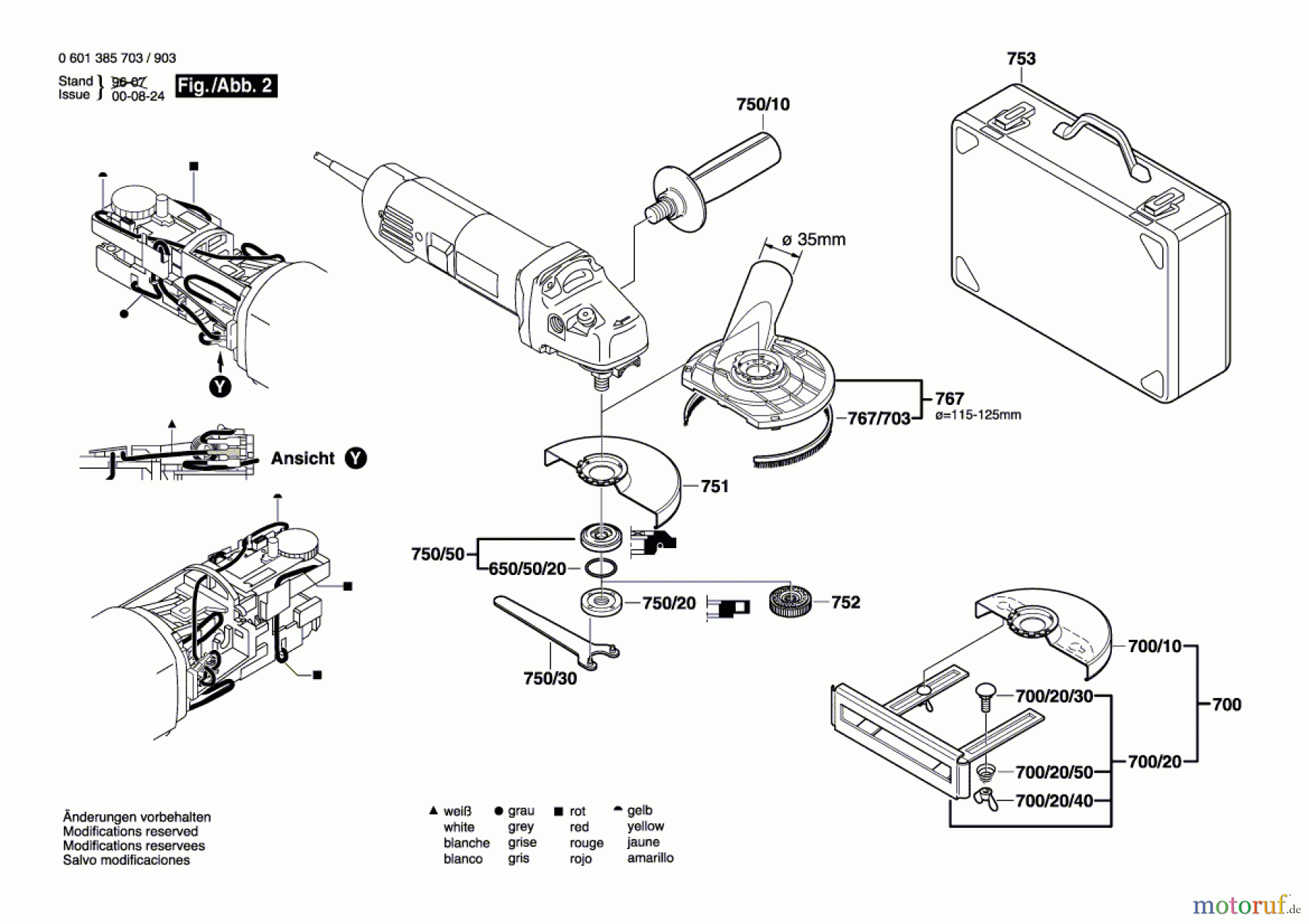
| BildNr | Artikel Nummer | Bezeichnung | |
| 14 | 1 600 905 011 | Rillenkugellager | |
| 650/50/20 | 1 600 210 039 | O-Ring | |
| 700/20/50 | 1 604 643 004 | Druckfeder | |
| 700/20 | 1 608 135 004 | Führungsschlitten | |
| 700/10 | 2 605 510 101 | Schutzhaube | |
| 700 | 2 607 001 188 | Teilesatz | |
| 700/20/30 | 2 910 281 158 | Flachrundschraube | |
| 700/20/40 | 2 915 191 105 | Flügelmutter | |
| 750/10 | 1 602 025 09T | Zusatzhandgriff | |
| 750/20 | 1 603 340 040 | Spannmutter | |
| 750/50 | 1 605 703 099 | Aufnahmeflansch | |
| 750/30 | 1 607 950 043 | Zweilochmutterndreher | |
| 751 | 2 605 510 104 | Schutzhaube | |
| 752 | 1 603 340 031 | Schnellspannmutter | |
| 753 | 1 605 438 089 | Tragkasten | |
| 767 | 2 605 510 107 | Absaughaube | |
| 767/703 | 2 605 730 036 | Bürste | |


Qualitätsmanagement
Informieren Sie uns, wenn Sie einen Fehler gefunden haben.

