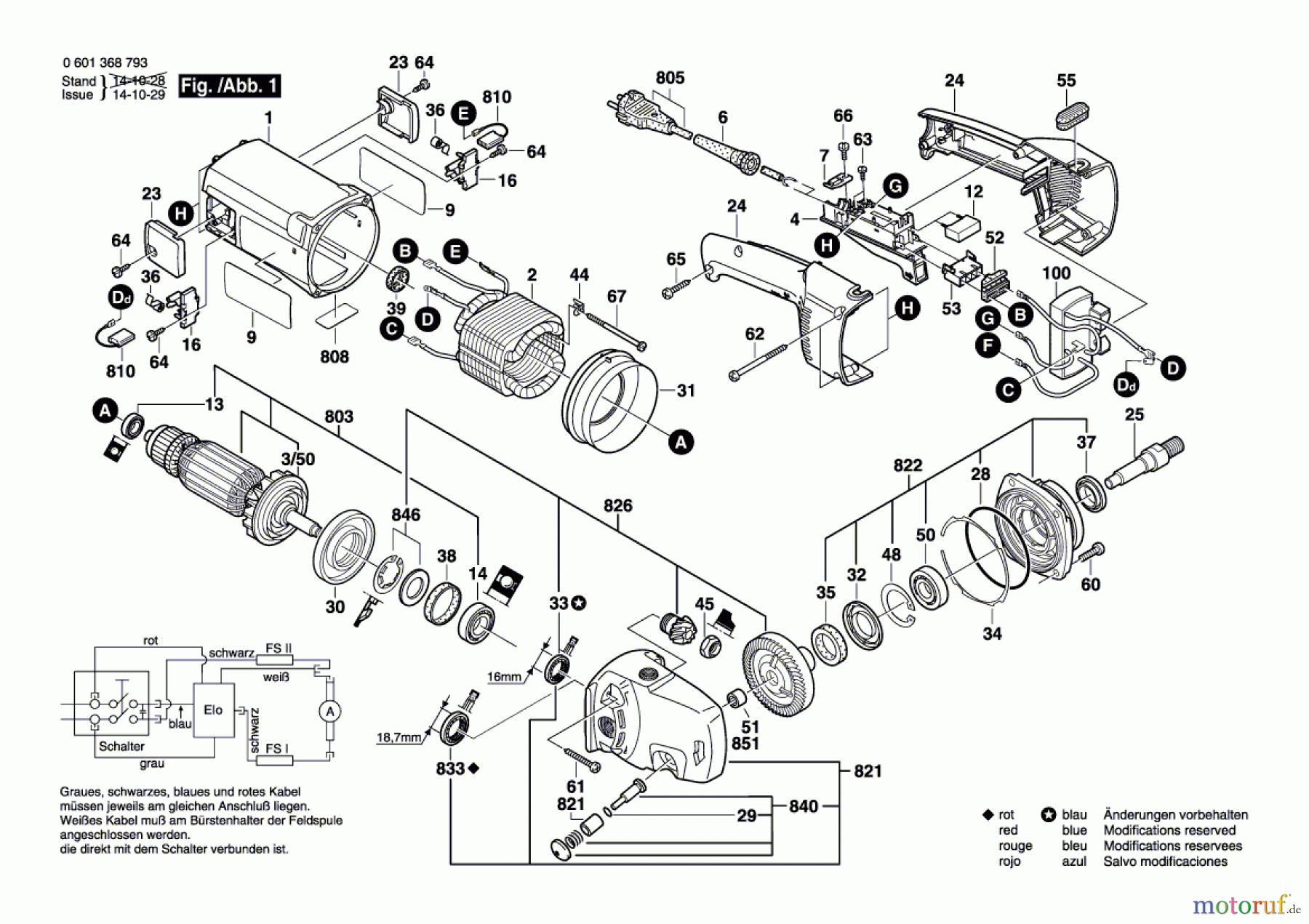
Bosch Mauernutfräse GBF 65 A Ersatzteile
GBF 65 A Mauernutfräse
Artikel Nummer: 0 601 368 793 (0601368793)

Hier finden Sie die Ersatzteilzeichnung für Bosch Werkzeug Mauernutfräse GBF 65 A Seite 1. Wählen Sie das benötigte Ersatzteil aus der Ersatzteilliste Ihres Bosch Gerätes aus und bestellen Sie einfach online. Viele Bosch Ersatzteile halten wir ständig in unserem Lager für Sie bereit.




