Bosch Mauernutfräse GNF 65 A Ersatzteile
GNF 65 A Mauernutfräse
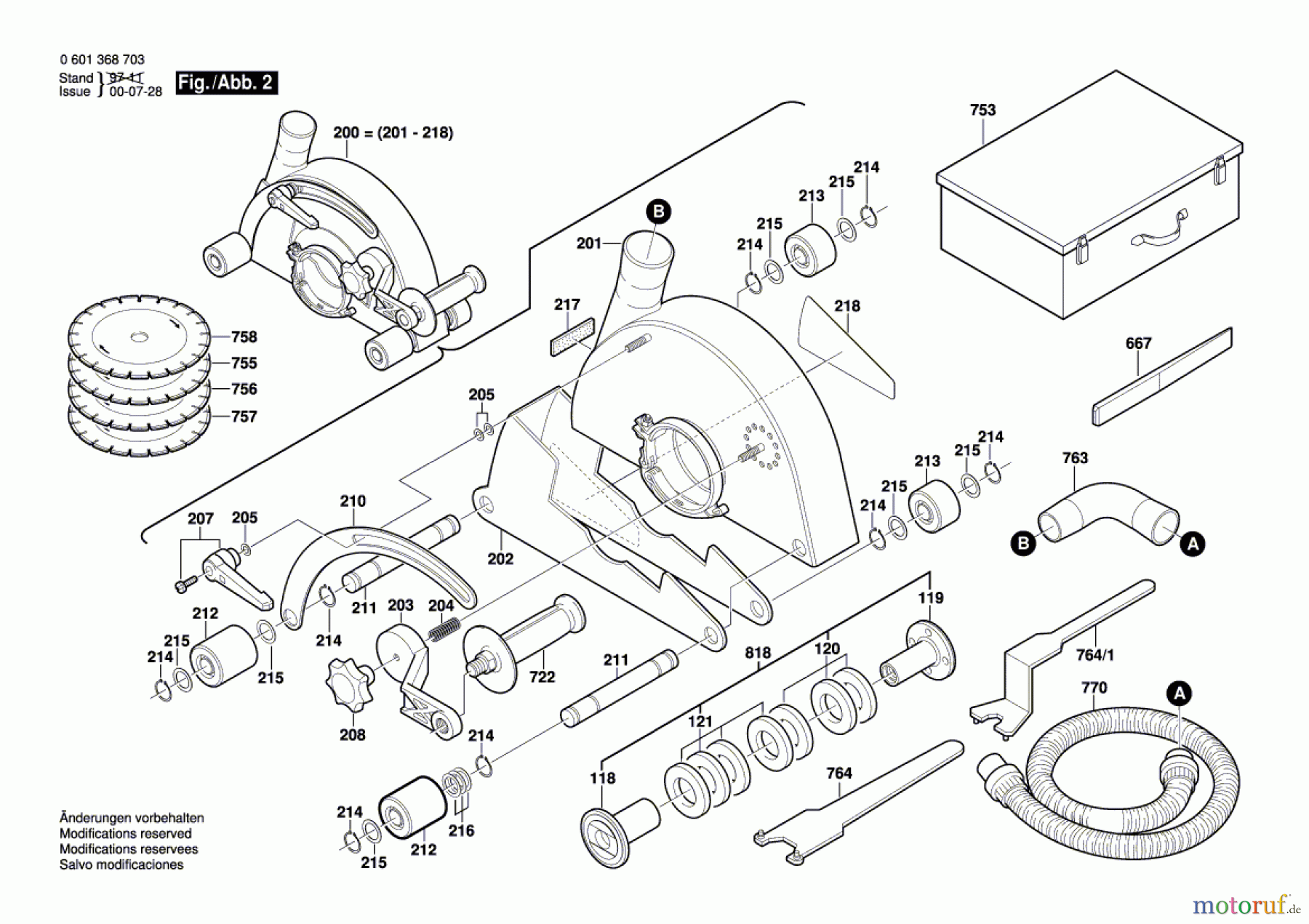
Artikel Nummer: 0 601 368 703 (0601368703)

Hier finden Sie die Ersatzteilzeichnung für Bosch Werkzeug Mauernutfräse GNF 65 A Seite 2. Wählen Sie das benötigte Ersatzteil aus der Ersatzteilliste Ihres Bosch Gerätes aus und bestellen Sie einfach online. Viele Bosch Ersatzteile halten wir ständig in unserem Lager für Sie bereit.


Qualitätsmanagement
Informieren Sie uns, wenn Sie einen Fehler gefunden haben.

