Bosch Winkelschleifer GWS 24-230 Ersatzteile
GWS 24-230 Winkelschleifer
Artikel Nummer: 0 601 362 103 (0601362103)

Hier finden Sie die Ersatzteilzeichnung für Bosch Werkzeug Winkelschleifer GWS 24-230 Seite 2. Wählen Sie das benötigte Ersatzteil aus der Ersatzteilliste Ihres Bosch Gerätes aus und bestellen Sie einfach online. Viele Bosch Ersatzteile halten wir ständig in unserem Lager für Sie bereit.
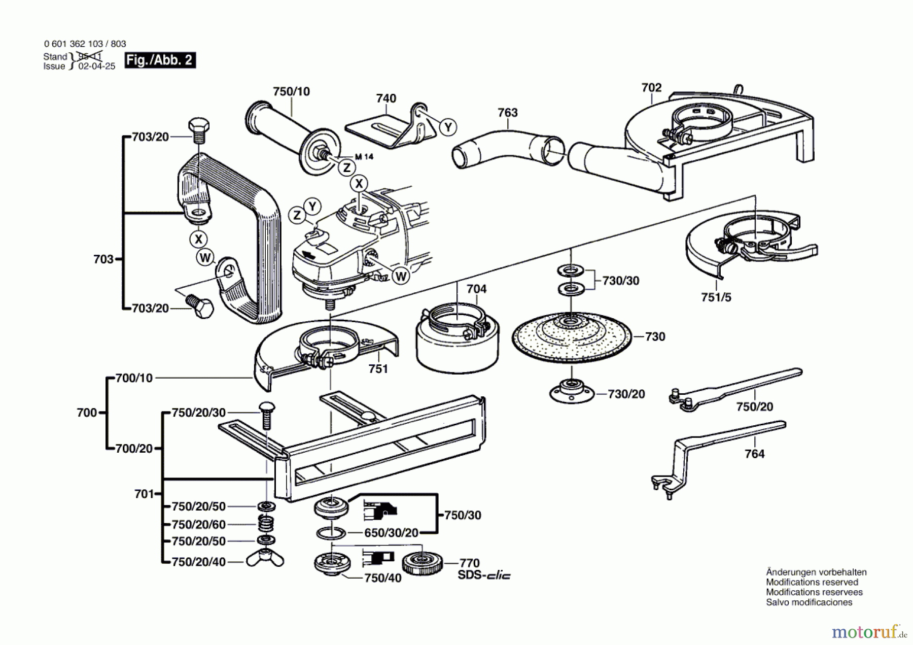
| BildNr | Artikel Nummer | Bezeichnung | |
| 50 | 3 600 905 134 | Rillenkugellager | |
| 650/30/20 | 1 600 210 039 | O-Ring | |
| 700/10 | 1 605 510 223 | Schutzhaube | |
| 700 | 1 607 000 251 | Teilesatz | |
| 700/20 | 1 608 135 006 | Führungsschlitten | |
| 701 | 1 608 135 006 | Führungsschlitten | |
| 702 | 1 605 510 180 | Schutzhaube | |
| 703 | 1 607 000 247 | Bügelgriff | |
| 703/20 | 2 603 450 007 | Sechskantschraube | |
| 704 | 1 605 510 181 | Schutzhaube | |
| 730/20 | 1 603 345 004 | Kreuzlochmutter | |
| 730 | 1 608 601 006 | Stützteller | |
| 730/30 | 2 916 011 022 | Unterlegscheibe | |
| 740 | 1 601 329 013 | Schutzbügel | |
| 750/40 | 1 603 340 040 | Spannmutter | |
| 750/20/60 | 1 604 643 003 | Druckfeder | |
| 750/30 | 1 605 703 099 | Aufnahmeflansch | |
| 750/20 | 1 607 950 048 | Zweilochmutterndreher | |
| 750/20/50 | 2 600 100 041 | Unterlegscheibe | |
| 750/10 | 2 602 025 075 | Zusatzhandgriff | |
| 750/20/30 | 2 910 281 244 | Flachrundschraube | |
| 750/20/40 | 2 915 191 007 | Flügelmutter | |
| 751/5 | 1 605 510 223 | Schutzhaube | |
| 751 | 1 605 510 223 | Schutzhaube | |
| 763 | 1 600 793 007 | Saugkrümmer | |
| 764 | 1 607 950 004 | Zweilochmutterndreher | |
| 770 | 1 600 A01 6PP | Schnellspannmutter | |


Qualitätsmanagement
Informieren Sie uns, wenn Sie einen Fehler gefunden haben.

